相關行業咨訊
上架時段:2024-08-16 09:15:00 瀏覽訪問:794
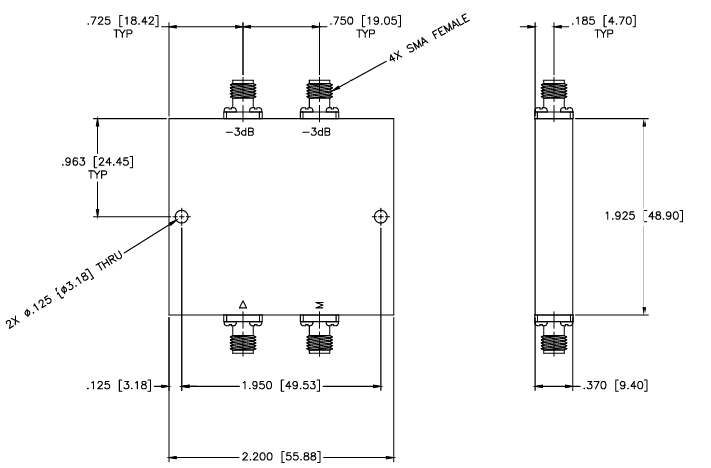
HJ-13混合耦合器是MCLI一款工作在7.2至8.5 GHz頻率范圍的設備,具有以下特點:
- 隔離性能參數為16dB,很好的增多警報泄露。 - 直流電壓駐波比是1.50:1,指出較好的無線信號配對。 - 最大的復制材料耗費為0.6dB,4g信號卡路里虧損資金小。 - 相位穩定平衡在±4度以內,有效確保的信號工作的合理性。 這一款合體器支持于對無線信號清爽性和穩固性規范要求較高的紅外光安全可靠系統。
河南市立維創展新材料技術不足工司,受權加盟產品MCLI護膚品,青睞合作方聯系。