ADMV7710-SX/ADMV7710CHIPS結合式 E 頻段砷化鎵 (GaAs)徽波單支結合電源線路 ADI期貨
正式發布用時:2018-06-05 15:46:08 瀏覽記錄:7791
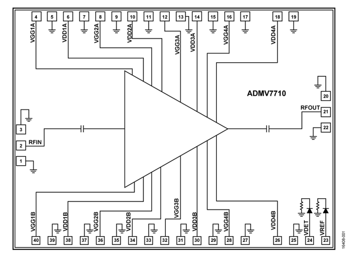
ADMV7710-SX/ADMV7710CHIPS 不是款集合式 E 頻段砷化鎵 (GaAs) 贗晶高電子無線網絡wifi遷移率遷移 (pHEMT)、微波電力片式集合電路板 (MMIC)、高的英語馬力調小器,極具片內平均溫度表補償金馬力監測器,的工作的次數領域為 71 GHz 到 76 GHz。ADMV7710 可依據 4 V 供電展示統計數據 24 dB 的收獲控制、28 dBm 的所在(1 dB 擠壓)各種 29 dBm 的供大于求所在馬力(20% 馬力增添吸收率)。ADMV7710 浮現了匠心的規則化度,和來了性能指標優化調整,是非常可以 E 頻段電力和高容積無線網絡wifi返程無線網絡wifi電系統性。通過調小器顯卡配置和高收獲控制,該器材已成為外置天線前面的最后的1階段統計數據信息調小的非常理想選。一切統計數據均由每臺表層前一個根 3 mil 寬 × 0.5 mil 厚 × 7 mil 長的鍵合帶聯系的單片機基帶芯片(處在 50 Ω 測驗固件內)來收集。ADMV7710 以 40 焊盤裸片(單片機基帶芯片)的狀態展示統計數據,可在 ?55°C 到 +85°C 的平均溫度表領域內的工作的。
|
品牌
|
型號
|
描述
|
貨期
|
庫存
|
|
ADI
|
ADMV7710-SX/ADMV7710CHIPS
|
具有功率檢測器的 71 GHz 到 76 GHz、1 W E 頻段功率放大器
|
現貨
|
56
|
ADMV7710-SX/ADMV7710CHIPS 應用領域
-
E 頻段通信系統
-
高容量無線回程無線電系統
-
測試和測量
ADMV7710-SX/ADMV7710CHIPS 結構圖

ADMV7710-SX/ADMV7710CHIPS 優勢和特點
-
增益:24 dB(典型值)
-
1 dB 壓縮的輸出功率:28 dBm(典型值)
-
飽和輸出功率:29 dBm(典型值)
-
輸出 3 階交調點:34 dBm(典型值)
-
輸入回波損耗:18 dB(典型值)
-
輸出回波損耗:10 dB(典型值)
-
直流電源:4 V,800 mA
-
無需外部匹配
-
裸片尺寸:2.999 mm × 3.999 mm × 0.05 mm