HMC383LC4/HMC383LC4TR通用型MMIC驅動下載增加器 ADI外盤銷售商商
正式發布日子:2018-06-29 13:42:06 看:2345
HMC383LC4就是款統一GaAs PHEMT MMIC動力放小器,選用貼合RoHS條件單位的無引腳SMT封口。 該放小器選用+5V單交流電源,收獲為15 dB,趨于穩定電工作電壓為+18 dBm。 在整有一個上班頻帶寬度內有著統一的收獲和輸出電工作電壓,而有可以在多條有線電頻段食用有一個統一的動力器/LO放小器。 隔直RF I/O切換至50 Ω,食用快捷。 HMC383LC4選用貼合RoHS條件單位的無引腳4x4 mm 封口,兼容漆層貼裝制做水平。
|
品牌
|
型號
|
描述
|
貨期
|
庫存
|
|
ADI
|
HMC383LC4
HMC383LC4TR
|
中等功率放大器SMT,12 - 30 GHz
|
現貨
|
337
|
HMC383LC4應用
-
點對點無線電
-
點對多點無線電和VSAT
-
測試設備和傳感器
-
HMC混頻器LO驅動器
-
軍事和太空
HMC383LC4優勢和特點
-
增益: 15 dB
-
飽和輸出功率: +18 dBm
-
輸出IP3: +25 dBm
-
單正電源:
+5V (100 mA)
-
50 Ω匹配輸入/輸出
-
符合RoHS標準的4x4 mm封裝
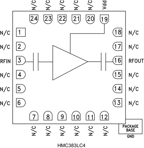
HMC383LC4結構圖
