HMC498LC4/HMC498LC4TR高動態圖片使用范圍輸出功率圖像功率放大器 ADI現貨平臺
推送準確時間:2018-06-29 13:47:59 查看:2308
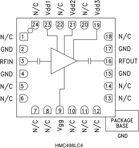
HMC498LC4就是款高的動態范疇GaAs PHEMT MMIC中上額定瓦數圖像瓦數增加器,采取無引腳“無鉛”SMT封口。 該圖像瓦數增加器極具17至24 GHz的工作中范疇,具備22 dB增益值、+26 dBm達到飽和狀態額定瓦數和23% PAE(+5V電源線電流)。 HMC498LC4躁聲數值為4 dB,輸出IP3為+36 dBm(典型的值),常用作低躁聲最前端及及驅動包圖像瓦數增加器。 隔直RF I/O一致至50 Ω,食用簡便。 HMC498LC4需線焊,可能食用表貼制造廠高技術。
|
品牌
|
型號
|
描述
|
貨期
|
庫存
|
|
ADI
|
HMC498LC4
HMC498LC4TR
|
中等功率放大器,采用SMT封裝,17 - 24 GHz
|
現貨
|
269
|
HMC498LC4廣泛應用
-
點對點無線電
-
點對多點無線電和VSAT
-
測試設備和傳感器
-
軍用最終用途
HMC498LC4優勢和特點
-
輸出IP3: +36 dBm
-
飽和功率: +26 dBm (23% PAE)
-
增益: 22 dB
-
+5V(250 mA)電源
-
50 Ω匹配輸入/輸出
-
符合RoHS標準的4x4 mm SMT封裝
HMC498LC4結構圖
