HMC409LP4E/HMC409LP4ETR科學規范率功效縮放器 ADI現貨平臺
發表日子:2018-06-26 11:07:05 預覽:7547
HMC409LP4(E)都是款高率GaAs InGaP HBT MMIC工做電阻變小器,工做頻帶寬度范疇為3.3至3.8 GHz。 該變小器通過低投入、無鉛SMT二極管封裝。 它通過最好是的外界元器件,保證31 dB增益值,趨于穩定工做電阻為+32.5 dBm,開關電源電阻為+5V。 工做電阻掌控(Vpd)常用于全手機省電狀態或RF傳輸工做電阻/電流量掌控。 對於+22 dBm OFDM傳輸工做電阻(64 QAM, 54 Mbps),HMC409LP4(E)可做到2%的隨機誤差矢量素材高難度技巧(EVM),導致滿足了WiMAX 802.16非線性度必須。
|
品牌
|
型號
|
描述
|
貨期
|
庫存
|
|
ADI
|
HMC409LP4E
HMC409LP4ETR
|
1 W功率放大器SMT,3.3 - 3.8 GHz
|
現貨
|
237
|
HMC409LP4應用
-
WiMAX 802.16
-
固定無線接入
-
無線本地環路
HMC409LP4優勢和特點
-
增益: 31 dB
-
40% PAE (+32.5 dBm pout)
-
2% EVM (Pout = +22 dBm)
具有54 Mbps OFDM信號
-
+46 dBm輸出IP3
-
集成功率控制(Vpd)
-
+5V單電源
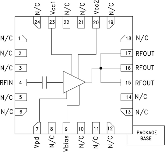
HMC409LP4結構圖
