HMC499LC4/HMC499LC4TR高的英語耗油率增加器無引腳 ADI期貨
分享準確時間:2018-06-26 11:11:34 訪問 :2173
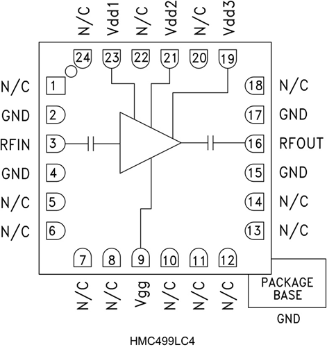
HMC499LC4是一個款高新動態超區間GaAs PHEMT MMIC中檔電機瓦數放縮器,用到具備RoHS標準化的無引腳“無鉛”SMT封裝類型。 該放縮器享有21至32 GHz的做工作超區間,供應16 dB收獲、+24 dBm供大于求電機瓦數和16% PAE(+5V電流電壓電流電壓)。 隔直RF I/O相配至50 Ω,安全動用省事。 HMC499LC4不能不線焊,能能安全動用表貼制造廠科技。
|
品牌
|
型號
|
描述
|
貨期
|
庫存
|
|
ADI
|
HMC499LC4
HMC499LC4TR
|
中等功率放大器,采用SMT封裝,21 - 32 GHz
|
現貨
|
215
|
適用
-
點對點無線電
-
點對多點無線電和VSAT
-
測試設備和傳感器
特色和特征
-
輸出IP3: +34 dBm
-
飽和功率: +24 dBm (16% PAE)
-
增益: 16 dB
-
+5V(200 mA)電源
-
50 Ω匹配輸入/輸出
-
符合RoHS標準的4x4 mm SMT封裝
結構類型圖
