領域資訊、短視頻軟件
上線時刻:2025-09-05 16:31:19 訪問 :8
SQ79002AJE是SILERGY矽力杰進入中國的市場上隔離式DC/DC轉型器,平常是因為廠家直銷鏈出現異常(如下市、收貨超時或投入增加)、使用性能升級系統需要量(如追求完美更高些的效率、5kV消毒等級分類或更寬導入的范圍)、封口長寬制約(需更緊奏型制定)、合法風險控制規定要求(如的更新人身安全認證服務或環境法律規范),相應能力更替介紹的長遠供貨商服務和工作括展(如多輸出或可調節為電阻)等考察,各個企業需標準化測試成本低、耐磨性、信得過性和建設時間后選最好改用計劃書。
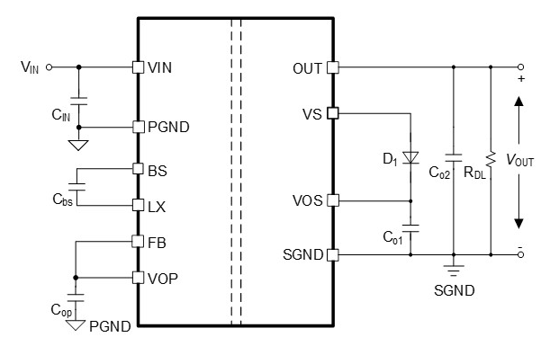
SQ79002AJE外形尺寸性能
設置的電壓范疇:4.5V-14V
打出相電壓:5V
耗油率:1W
隔離級別:3kVDC 隔離霜
封裝形式規格:9.6mm×3.4mm×2.8mm

設計方案 A:ADI MAX17687(單面 Iso-Buck,最大 5 W)
1. 功率器件
? MAX17687AATC+ 4 mm×4 mm TQFN-20
2. 重中之重數據
? 3.5–36 V 投入(可連 5 V 母線)
? 隔絕后 5 V→5 V/1 A 或 3.3 V→3.3 V/1.5 A(可以通過匝比調整)
? 集成式 1 kV/3 kV 丟開干式變壓器,成功率 85 %–90 %
3. 后級降血壓
? 如果需要 0.8–3.3 V/6 A,可在隔離霜次級用一棵 SQ79002AJE 或 TPS56C215 做四次降血壓。
4. 申請認證 / 體積大小
? 4 mm×4 mm + 6.5 mm×5 mm 微形電壓器,整體積 ≈ 200 mm3;已能夠 UL/EN 60950 底部隔離申請認證。
方案 B:TI SN6505B + 外置微型變壓器 + 次級同步 Buck
1. 配件鏈
? 驅動程序:SN6505BDBVR(SOT-23-6)
? 電抗器:Coilcraft DA2303-AL(5 mm×5 mm×3 mm,1 kVrms)或 Würth 750311485(4.8 mm×5.8 mm×2.8 mm,3 kVrms)
? 次級整流:MBRS340T3G(SMA)
? 次級 Buck:沿用 SQ79002AJE(3 MHz,6 A)
2. 重中之重參數指標
? 投入 3.3 V/5 V,分隔的輸出 5 V/1 W 或 3.3 V/1.5 W
? 工作效率 80 %–85 %(含后級 Buck 后縱向 70 %–75 %)
3. 認證證書 / 質量分數
? 配電變壓器已順利通過 IEC/UL 底部隔離;整體性髙度 <3 mm,滿足板內 PoL 不一樣。
方式 C:MPS MIDxW 類型(SIP/SMT 隔開磚)+ 次級 Buck
1. 元器件
? MID1W0505A-2(SIP-4,5 V→5 V/200 mA,3 kV/5 kV 分隔)
? MID3W0505A-2(SIP-7,5 V→5 V/600 mA,3 kV/5 kV 隔離)
2. 級聯方式英文
? 先由 MID 版塊存在 5 V 隔離防曬母線,再采用 SQ79002AJE 降血壓到過載端電壓。
3. 主要數據
? 吸收率 80 %–85 %(包塊)+ 90 %(次級 Buck)
? 產品輸出模塊已實現 CE/UL;不必特別干式變壓器開發,交貨時間比較短。
電磁閥選型速查表
規劃 | 要進行隔離品級 | 公率 | 體積計算 | 認證證書 | 提示 |
A MAX17687 | 1 kV/3 kV | ≤5 W | 世界上最大 | UL/EN60950 | 單面,外面簡單 |
B SN6505B | 1 kV/3 kV | 1–5 W | 中 | IEC/UL | 靈活性高電壓器挑選 |
C MIDxW | 3 kV/5 kV | 0.5–3 W | 上限 | CE/UL | 即插即用,免磁體件設計制作 |
答案
- 若向往很小化磁體件與按裝作業量,首推MAX17687;
- 若迄今為止 5 V 母線、只需1 W級隔開,可選擇SN6505B + Coilcraft/Würth 徵型箱式變壓器;
- 若要簡單轉換制成品屏蔽磚,用MPS MIDxW必須,后級仍使用SQ79002AJE 做6 A降血壓。
SILERGY(矽力杰)主要是產量電壓適配器單片機芯片、電壓適配器輸出模塊等模擬系統功率器件。造成SILERGY矽力杰的主機電源電源模塊產品設備,立維創展提拱pin to pin原位方式車輛,現貨黃金優勢可言價值,祝賀咨詢中心。