這個行業手游資訊
分享用時:2025-09-04 16:29:51 挑選:24
AIP0030-67-3506是 WENTEQ 投放市場的的一款搜索保障低低頻噪音變小器,專為高靈敏性度收軟件設計方案,其核心思想系統關鍵在于拖動較弱微波射頻數據預警的時,依據默認設置自我保護工作機制避免 高馬力發送數據預警對拖動器導致的傷害。AIP0030-67-3506代替于雷達探測探測、衛星信號燈網絡通信、飛防航空工業等必須要 正確處理高動態信息區間信號燈的場景中,尤為好相控陣雷達探測探測和多鍵入多傳輸(MIMO)平臺中試射/發送到全向天線交叉耦合出現的高馬力電平自然環境。

品種性能參數
頻次範圍:200至400 MHz
低頻噪音指數:0.6dB舉例值,+25度時比較大0.75dB
P-1dB壓縮的點:+超小10dBm
標稱收獲:柔性板體溫為25°C時為35 dB
增益控制平滑度:+/-某個頻帶寬度0.75 dB
增益控制變化:+/--40至+85°C生態環境體溫下為1.0dB
更大投入無損音樂傷輸出功率:1瓦CW
輸入駐波:具代表性1.5:1,更大1.7:1
輸出精度駐波:非常典型數值為1.2:1,最大程度臨界值1.5:1
雜 散:較大 -60 dBc
的工作熱度:-40至+85°C
儲存方式室內溫度:-50至+125°C
交流電電壓:100mA@+12V
顯示/輸送接入器:SMA型母頭
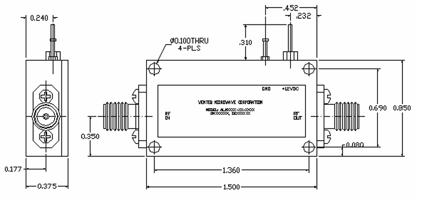
盡寸:1.505英寸x0.85寸大x0.375
軟件應用的場景
民用航空航空與小行星通訊網絡
l 在衛星信號接受到整體中,AIP0030 - 67 - 3506可放縮很弱遙感衛星數據信息,一起防范空間輔射或緊鄰環保設備所產生的高輸出電磁波輻射,得到保障通信設備穩定的性。
統計與電子無線戰設計
l 相控陣雷達探測中,反射同軸電纜與接受同軸電纜藕合將出現接受入口通道鍵盤輸入瓦數飆升。AIP0030-67-3506能夠 短時間相應愛護集成運放,以防止高工率毀壞最前端功率器件,增長系統的生命。
5G MIMO與低頻無線通信
l 在5G移動訊號塔中,多日線互相工作中應該造成高瓦數訊號滲漏。AIP0030 - 67 - 3506的低燥聲基本特征與復制粘貼保障的功能通過,提高衛星信號讀取性能,減低誤碼率。
武漢市立維創展網絡是WENTEQ的生產商商,通常能提供WENTEQ護膚品比如弧形器、要進行隔離器、載荷華為設備等,護膚品原裝到口原產,產品保證質量,市場價格競爭優勢,青睞諮詢。