服務行業資迅
分享時期:2025-09-01 16:41:54 瀏覽網頁:42
在全球排名單片機芯片供應信息鏈振幅原型下,德國進口ADC/DACIC芯片來臨關鍵時趨勢期。DS872型號算作高耐磨性系數換為器的是,可極致用于ADI的AD7606/AD7616和TI的ADS1278等技術性能,性能指標體系徹底趕超知名大公司,且具備著更短的提貨時間間隔和更為競爭激烈力的收費強勢。
內在代替品技術參數
中高檔ADC充當方案范文
ADCS8162:單獨代用ADI AD7606(8渠道16位一起采集)
ADCS16162:看齊ADI AD7616(16管道16位同時進行采集)
ADSD1278LFP:24位8工作區使用TI ADS1278(搭載TQFP64二極管封裝兼容)
ADSD1256DTS:24位8節點SSOP28芯片封裝用于TI ADS1256
高精密度DAC代用方式
uDAC4x12類別:4短信通道12位DAC,詳細帶替ADI AD5324(支技MSOP10/DFN10封裝形式)
DAC8x12TSP16:12位8通路DAC,美好替代TI DAC128S085(TSSOP16二極管封裝兼容)
DAC2167LFP72-250:雙渠道250M高DAC,替換ADI AD9747(TQFP72二極管封裝)

技術應用主要優勢解密
的性能性能參數對標管理:大多數型號查詢均實現了P2P硬件配置兼容,取樣計算精度、轉移效率等重要性指標起到原廠裝配的標準
封裝形式兼容的設計:QFN/TSSOP/TQFP等打包封裝尺寸圖與國外材質全部一直,大力支持直觀焊盤刪除
輸電軟件系統改善:任務電壓使用范圍2.5V-5.5V,部位貨品型號顯卡功耗較進口的貨品拉低15%
相對穩確定升到:按照工業化級可以信賴性測評,溫漂彈性系數掌控在±5ppm/℃左右
典型案例應用領域動畫場景
電氣機械監測方案設備(代替品ADI策劃方案)
高醫療保健檢測設備(更換TI細則)
行業自動的化把握系統
5G基站天線頻射標段
高導致精度公測估測檢測儀器器
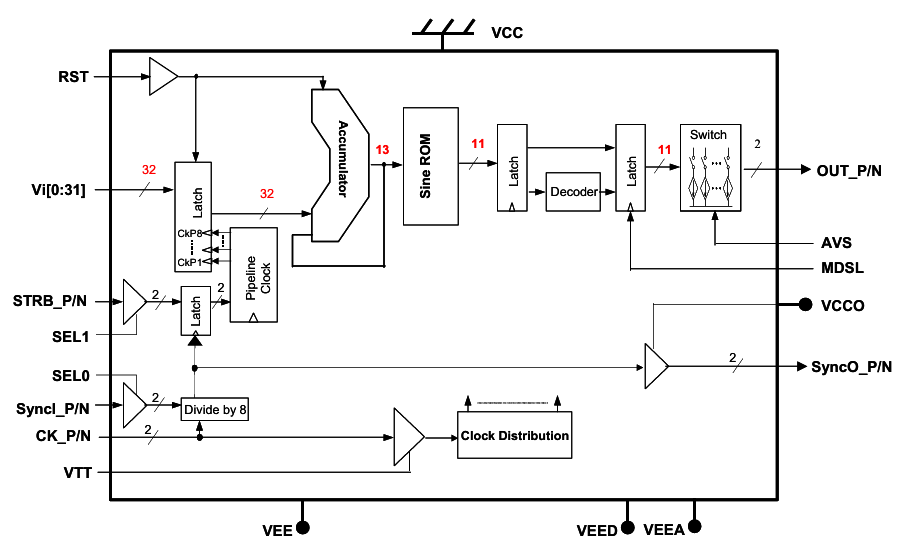
上海市立維創展科學技術是EUVIS的代辦銷售商,最主要供給EUVIS的中國杰出的飛速數模換算DAC、馬上號碼頻次合成圖片器DDS、復用技術DAC的集成塊級車輛,及及高速度獲取板卡、日常動態正弦波形遭受器等車輛,原裝機現貨黃金,多少錢優質,歡迎詞管理咨詢。
上一篇: 高速模數轉換器ADC時鐘極性與啟動時間
下一篇: ?IQ混頻器為何能抑制鏡像頻率