這個行業快訊
頒布用時:2025-09-01 16:34:59 瀏覽器:42
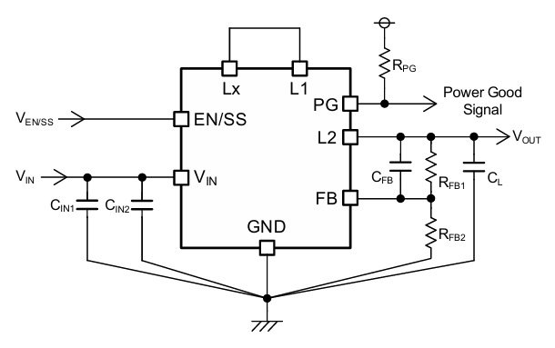
在電源管理模塊領域,日本TOREX的XCL248系列產品而致省油的suv規格和便捷率優點,短期來黨被多利用于重工業把控好、微波通信裝備等情況。雖然逐漸全球各地廠家直銷鏈振幅,XCL248的交房時期和成本費用現象越來越出色。國產加盟品牌Cyntec推新的MUN3CAD01-SB和MUN12AD03-SM每款電源線控制器,怎么才能實行XCL248的高兼具性價比原位代換?
價值體系叁數價格對比
| 參數 | TOREX XCL248 | MUN3CAD01-SB | MUN12AD03-SB |
輸進電阻值范圍之內 | 2.5V-5.5V | 2.7V-5.5V | 4.5V-18V |
讀取工作電流 | 300mA (確定) | 500mA (穩定) | 1A (可以調節) |
利用率 | 85%@3.3V所在 | 90%@3.3V的輸出 | 92%@5V的輸出 |
動態電壓電流 | 1μA | 0.8μA | 2μA |
面板開關頻 | 1MHz | 1.2MHz | 800kHz |
封裝類型 | SOT-23-5 | DFN-6 (1.5x1.5mm) | SOP-8 |

二、代替品有用性
MUN3CAD01-SB
勝機:打出電壓電流(1A)超過XCL248(600mA),輸入輸出端電壓空間(0.8V~4.0V)涵蓋XCL248的一般軟件應用的場景(如為CPU/FPGA用電)。
片面性:
進入交流電壓范圍之內(2.7V~5.5V)遠降至XCL248的36V,無發直接的用作輕工業的設備(12V/24V插入)。
管控傳統模式是否需要支技PWM/PFM重新切換桌面需驗正,若為固定不動PWM狀態,輕載的效率可能性不超XCL248。
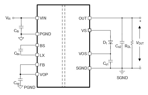
封口尺寸規格未三公開,需判定能否兼容XCL248的DFN3030-10B。
MUN12AD03-SM
優勢:手機輸入電流電壓區間(4.5V~16V)蓋住部份制造業適用(如12V讀取),輸入輸出直流電壓(3A)遠高過XCL248,最合適高電動機扭矩場面。
僅限:
手機輸入直流電壓超出(16V)遠低于XCL248的36V,時未適用24V導入平臺。
調控模式,、靜態式的電流量、保護區性能等要素性能未公布,需按照評測或網絡咨詢制造廠商核實有沒一致XCL248的低額定功率和增強性讓。
裝封尺寸圖未對外公布,需確保兼容性設置。
三、管理的本質混用優勢可言進行對比
出售鏈切實保障
XCL248舉例收貨階段短短20周以下,而MUN3CAD01-SB/MUN12AD03-SM的提貨生長期穩定可靠在4-6周,方面產品型號適用外盤制造
采購合同總成本較XCL248下降15%-20%,且免收款中國海外服務商的NRE(非習慣性性市政工程)成本
性能方面參數指標提升等級
發送額定電壓范圍圖括展至4.5-17V(XCL248為4.5-15V),兼容工業制造24V設計可以送電
導出電流量恢復3A長期工作輸出業務能力,輕載吸收率的提升至85%(XCL248典例值80%)
工作的溫濕度面積持續-40°C~125°C工業企業級標淮
佛山市立維創展科技創新代辦權代辦Cyntec全程設備,致力于打造為玩家保證高好品質、高水平量、價額公平的電壓方案設備。Cyntec的外接電源組件DC-DC廠品,交貨便捷,免費資源可以提供合格品,要素規格材質期貨庫存管理。舉個例子規格材質:MUN12AD03-SEC,MUN3CAD03-SE等。產品設備原版原車,質量保障,作為中臺灣地區領域提高技術工藝鼓勵,誠邀詳詢。