職業知識
發部時長:2025-08-28 15:04:32 訪問 :81
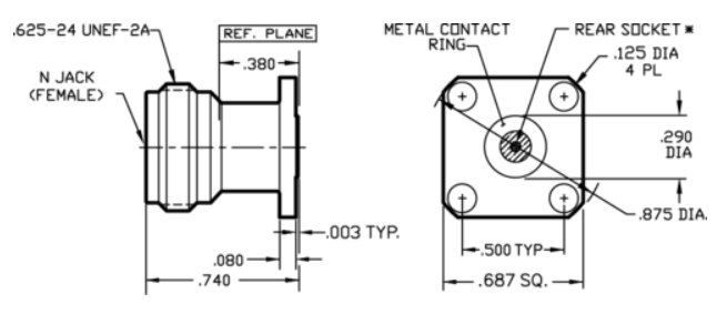
312-04SF是SOUTHWEST華南徽波(Southwest Microwave)精細級 N 型母頭法蘭片安裝連入器,選主要用于 DC–18 GHz 聯通寬帶畫面。殼體鋁合金電燙金防污,中導體鈹銅電燙金,支持系統 0.085" 半剛/柔拖鏈電纜。全頻段 VSWR ≤1.25:1,插損 <0.1dB(10GHz),最大功率 200W,耐熱性 -55°C 至 +165°C,500 次插拔穩固,能選氣密性打包封裝,按照軍標及航天科技部資格認證,應用做航天科技部、相控陣外置天線等高穩定可靠方面。
性能指標基本參數:
? 規律:DC–18 GHz
? 蝶閥法蘭:0.687" 方 4 孔調整
? 接收中心點針直徑約:0.036"
? VSWR:1.15:1(典型示范值)
? 的溫度:-55 °C ~ +165 °C
? 自選密封性封口,不符合 MIL-STD-348 接口協議規范
電力工程能力:
電壓值駐波比(VSWR):直式 ≤1.15(6 GHz 時),彎式 ≤1.25(6 GHz 時)。
放耗損:≤0.24 dB(6 GHz 時)。
耐電流電壓:2500 V rms;事情輸出功率:1000 V rms。
打交道內阻:咨詢中心沾染熱敏電阻 ≤1 mΩ,外導體內阻 ≤1 mΩ。
絕緣性功率電阻:≥5000 MΩ。
自動化性:
解耦的方式:5/8-24 螺孔連接方式,以確保高頻振動場景下的維持性。
恢復力:≥6 lbs(公司導體)。
機械制造使用期:≥500 次插拔(用到鈹銅接受件時)。

周圍環境改變性:
耐浸蝕性:包含 MIL-STD-202 Method 101 細則。
產生振動:MIL-STD-202 Method 204 測量經由。
構造與產品
殼子選擇鋼和 CRES 耐熱合金 UNS S30300,接觸點選擇鈹銅 (BeCu) UNS C17300。
介電用料為純 PTFE 氟碳原材料,平臺相處采集選用炎熱 Ultem 1000。
要素:純銅鍍鎳,外面辦理耐耐蝕。
公司針:紅銅電鍍,抓實低碰觸電容與一次插拔安全穩相關性。
接地體:聚四氟氯乙烯(PTFE)或聚裝修甲醛(POM),低損失、耐常溫。
活套法蘭盤:4 孔四方形結構設計,孔距 0.531",適應標淮 0.750" 方腔或印刷廠印刷板。
標準接口與兼容問題:
對接器模塊符合標準 MIL-STD-348 規范標準,包括鼓出來合金保護接地環,完成 360° 廢不銹鋼與廢不銹鋼遇到。
可與其它的達到 MIL-STD-348 標淮的微波加熱pcb板兼容。
使用情景
網絡通信系統的:
定向天線、移動信號塔、普通攻擊/拒絕移動基站器件。
電臺智能、WIFI 網格、器機對器機通信設備。
化工業教育領域:
汽車雷達主設備、微波射頻消融調理儀。
測評沖壓模具、高熱效率微波射頻包塊。
民用空間科學部:
衛星影像通信機系統、相控陣wifi天線機系統。
實現 NASA/ESA 釋氣企業認證符合要求。
關聯具體型號:
312-01SF、312-02SF、312-03SF 等,用戶的可基于實際需求分析進行為宜的規格型號。
珠海市立維創展科技產業收獲SOUTHWEST西北紅外光大部門型號查詢給出數據現貨交易食品,并幫助給出數據枝術大力支持與售后維修點工作,熱情接待諮詢。