企業介紹
披露周期:2025-08-25 16:34:17 瀏覽器:117
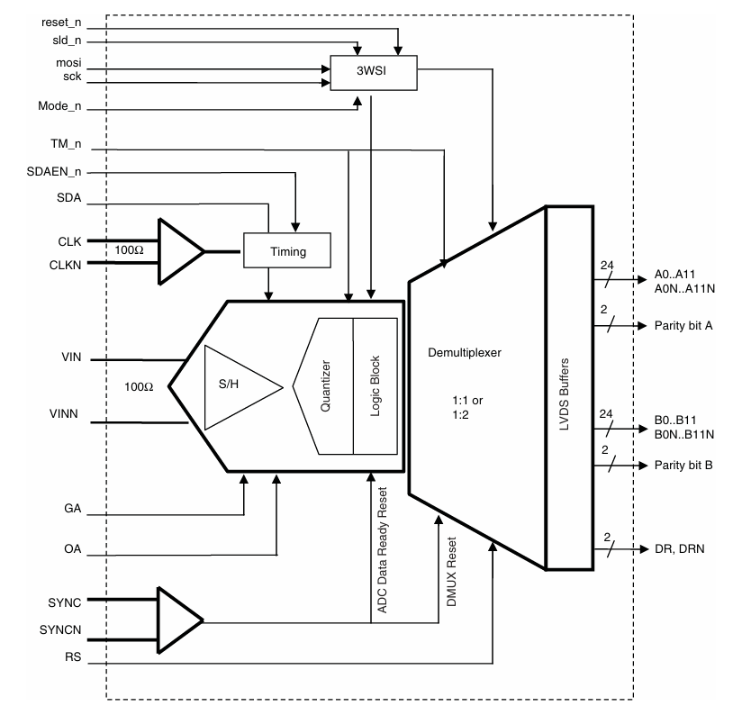
EV12AS200是E2V品牌形象的高效能12位1.5GSps變位系數轉換成器,借助獨有的差分讀取和安全的一起共識機制,在高速路資料爬取與解決范圍優越強勢。
一、差分打印輸出鏈
1. 物理防御層
EV12AS200用到196-ball FPBGA封裝類型,有14對LVDS大數據傷害(D0 - D13)和1對LVDS大數據就緒秒表(DCLK_P/N)。其片內內置100Ω刷卡設備電阻器,板端一般性會直接AC交叉耦合到FPGA,不用辦理超額并電阻器。工作輸出擺幅非常典型數值350mV(差分700mV),共模輸出功率1.2V,完全符合IEEE-1596.3 LVDS準則。
2. 統計數據形式
該轉化成器支撐1:1(full-rate)和1:2(demux half-rate)兩種類型經營模式,由pin DEMUX取舍。12位辨別率緊固,1:2模試下每對LVDS線寬低于6位(DDR傳輸),快捷后臺開發FPGA用較低擋率SERDES截取。數值先打印輸出MSB,后模擬輸出LSB,bit先后可確認3-線串口(3WSI)翻轉。
3. 導入字/居中碼
在Test Mode中,可放12’hF0F或12’hA5A最為K-Code,FPGA檢驗到后完工lane alignment。普通 監測經濟模式下,此次字退出,參數為原創ADC code。
二、鐘表與云同步長效機制
1. 取樣數字時鐘
取樣鬧鐘可單端或差分搜索,分析板自定義差分CLK±AC合體,100Ω端接。掛鐘比較高概率1.5GHz,要維持發抖jitter需小于100fs(12kHz - 20MHz積分),就可以持續datasheet的SNR/SFDR標準。
2. 工作輸出發送到數字時鐘DCLK
DCLK規律在1:1方法下為Fs,1:2經濟模式下為Fs/2。它與數據文件邊沿分散對齊,FPGA要用IDELAY/PLL做90°相位三維旋轉后再抽樣。DCLK上和Frame符號(FR_P/N),每12個DCLK過渡期拉高多次,主要用于指示箭頭幀邊緣。
3. 多片一起(SYSREF/多節點體統)
EV12AS200也沒有JESD204B/C,官方網提供“共鐘表 + 共SYSREF”的粗一起實施方案。用超低晃動分解器一并將CLK±扇出到全部的ADC,FPGA會產生低頻SYSREF智能(<1MHz)送過來各個ADC的SYNC_IN引腳。ADC測試到SYNC_IN持續上升沿后,內層計算器消除,保證大部分ADC在某個監測邊沿著手傳輸數劇。測量發送到測量誤差不低于±1抽樣點(≈670ps @ 1.5GSps),能需求基本上都數MIMO雷達天線、波束煉制適用要。

三、PCB設定需注意法定程序
差分對直徑適應:DCLK與同時動態數據線的skew個人建議大于10mil;同組信息線差分公開化skew不大于2mil。
AC解耦電容(電容器):資料/鐘表線均用100nF電阻,挨近ADC端置于,應對出現stub。
同時時序加工余量:給FPGA的LVDS傳輸器留不底于200ps的建設/保證機會;重要性時在ADC端用3WSI的調整輸送超時(Delay tap,共8級,每級約125ps)。
四、典型示范操作場地與微信同步強勢
1. 5G基站天線真接rf射頻下變頻
5G移動基站需將28GHz/39GHz微波射頻數字信號會直接高于基帶,以削減中頻濾波器和混頻器總數量,縮減投入和工作頻率。EV12AS200的差分讀取和SDA模塊可來補償rf射頻最前端鏈延后,確定I/Q衛星信號正交性,降誤碼率(BER)。
2. 相控陣統計波束合成圖片
相控陣雷達天線要有多入口通道ADC云同步抽樣,保證波束更快掃描儀和個人目標靶向手機定位。EV12AS200能夠重置器方程和SDA變動,各緩沖區ADC監測時時誤差率超過5個秒表周期性,追求軍事化防空雷達探測對相位同樣性的追求。
3. 好成績辨率示波器數據信息過濾
比較高的分數辨率示波器要雷達回波圖采集高頻率警報,抓取瞬態方式方法(如眼圖跳動)。EV12AS200的差分輸入輸出可升高信噪比,組合1.5GSPS監測率,能深入分析100G/400G以太網移動信號的眼圖高質量,認可鏈接安全性。
武漢立維創展科技產業是Teledyne E2V的代理商商,關鍵總需求Teledyne E2V變位系數轉成器和半導,能為老客戶提高 Teledyne E2V全款型 DAC(含宇航級淘汰)的挑選、分析板及技巧幫助。價錢其優勢,迎接網絡咨詢。