這個行業方式
公布的時間:2018-06-06 10:47:01 搜素:8327
HMC797APM5E就是款GaAs MMIC pHEMT分布圖式電機最大功率變小器,操作速率依據內為DC至22 GHz。該變小器提高13.5 dB增加收益值、39 dBm效果IP3和+28 dBm效果電機最大功率(1 dB增加收益值文件壓縮),顯卡功耗為400 mA(選用+10 V主機電源)。該多職能PA在4至20 GHz依據內內兼備正增加收益值斜率,以求十分的適于EW、ECM、聲納和測試測試儀器用。HMC797APM5E變小器I/O內部的配備至50 Ω,方面集成式到多處理器模組(MCM)中,選用無引腳QFN 5×5 mm表貼封裝類型,免外觀配備元器件。
| 品牌 | 型號 | 描述 | 貨期 | 庫存 |
| ADI |
HMC797APM5E HMC797APM5ETR |
GaAs pHEMT MMIC 1 W功率放大器,DC - 22 GHz | 現貨 | 55 |
適用
HMC797APM5E優勢和特點
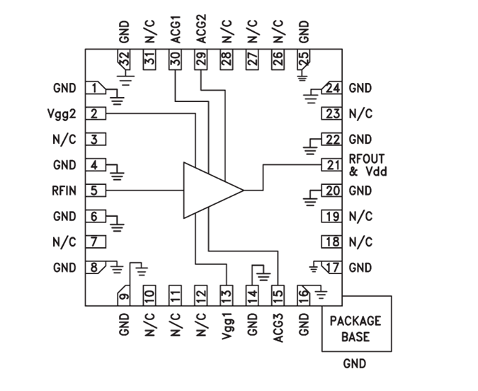
HMC797APM5E結構圖
