HMC1086F10氮化鎵(GaN) MMIC熱效率變大器10引腳法蘭盤打包封裝 ADI現貨黃金
上架耗時:2018-06-22 16:28:05 瀏覽記錄:7065
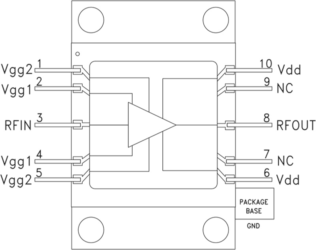
HMC1086F10有的是款25W氮化鎵(GaN) MMIC電工作效率變小器,工作中率范疇為2至6 GHz,進行10引腳蝶閥法蘭貼裝裝封。 該變小器通暢具備23 dB小衛星警報增加收益,+44.5 dBm飽和狀態輸入電工作效率,在+33 dBm輸入電工作效率/衛星警報音下,具備+46 dBm輸入IP3。 該變小器進行+28V穩壓電源線電源線的冗余功能損耗為1,100 mA。 隔直RF I/O切換至50 Ω,的使用不便。
|
品牌
|
型號
|
描述
|
貨期
|
庫存
|
|
ADI
|
HMC1086F10
|
25 W GaN法蘭貼裝MMIC功率放大器,2 - 6 GHz
|
現貨
|
230
|
HMC1086F10app
HMC1086F10優勢和特點
-
高Psat: +44.5 dBm
-
Psat下功率增益: 11 dB
-
高輸出IP3: +46 dBm
-
小信號增益: 23 dB
-
電源電壓: +28V (1100 mA)
-
50 Ω匹配輸入/輸出
-
10引腳法蘭封裝
HMC1086F10結構圖
