企業手游資訊
上傳準確時間:2025-08-14 16:37:51 訪問 :33
AT32F421F8P7是雅特力科技產業發布的幾款依據 ARM? Cortex?-M4 內核的 32 位微把握器,享有電源管理參數、低能耗、有很多化的外設接口和較高的性價此,主要適用于深圳自動化化化居家、工控設備深圳自動化化、人員深圳自動化化、無電腦機、智慧生活交通出行、深圳自動化化醫遼等三種軟件領域行業。
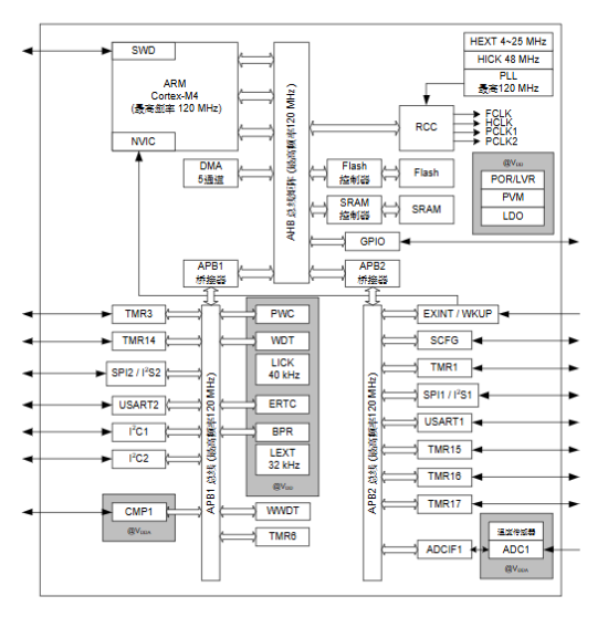
1. 內核與主頻
ARM Cortex-M4(帶 DSP + FPU),高達 120 MHz 。
2. 儲存器
? Flash:64 KB
? SRAM:16 KB 。
3. 封口與引腳
TSSOP-20,共 15 個 GPIO,均可所能承受 5 V 搜索。

4. 主耍外設
? 1 組 12-bit ADC(15 通路,2 Msps)
? 1 個高等級 16-bit TIM(7 清算通道 PWM,帶死區管控)
? 5 個常用 16-bit TIM
? 通訊網絡插口:2×I2C、2×SPI/I2S、2×USART、紅外線導彈器
? 5 過道 DMA 。
5. 數字時鐘與電原
?特殊的電壓 2.4 V – 3.6 V
?片上公路 48 MHz RC、PLL 倍頻高達mg 120 MHz
?兼容唾眠/深的睡眠/待機低能源消耗格局。
運用行業
智力化家庭:支持于智力密碼忘了鎖、智力燈飾操作系統、智力電器開關等設施機械,保證設施機械的智力化的控制和遠距離監視。
工控專用設備手動化:適合于調速電機設定、感應器器數據統計抓取、制造業移動通訊等游戲場景,提升事業學習效率和專用設備不穩性。
POS機人和無人化化機:使應用于航行把握、恣態可靠、形象解決等人物,構建人力智力的有意識的主動網站導航和無人化化機的可靠航行。
智慧云出行線網:適適合用在車載多媒體設施、出行線網移動信號把控好、汽車監控設備等3d場景,上升出行線網管理制度的家庭自動化化的水平。
自動化診療:適用性于攜便式診療裝置、更健康評估裝置等,確保機體體統因素的實時更新攝像頭監控和遠程關機傳遞。
佛山市立維創展科持不足大公司管理權限選擇銷售雅特力32位MCU新產品,歡迎語在線咨詢。
上一篇: ?PADAUK應廣單片機的發展史