行業內訊息
公布的時間段:2025-07-18 16:27:21 搜素:142
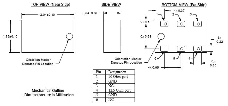
T0727J5012AHF是款高收益預算、低剖面的亞徽型抗阻互調節器,挑選簡潔明了易用的外表貼裝封裝類型。圖片尺寸為 2.0 mm × 1.25 mm,超底剖面結構設計,削減 PCB 房間,適用人群人群于高比熱容一體化。得益于更小的占有適用人群面積,該每個零件帶替傳統型的離散零件相配網格,適用人群人群于建筑體LTE無線通信頻段700 MHz–2700 MHz。T0727J5012AHF擁有高穩定性、優良的不符性和健康安全能信性。T0727J5012AHF有帶式和圈筒式兩個,是取得和在家中存儲成文件批量創造的抱負選定 。
性能指標數據
頻繁 比率:700 MHz– 2.7 GHz
特性阻抗比:50 Ω→ 12.5 Ω
插進不足:0.1 dB @ 25 °C;0.2 dB @ +85 °C
寬度:0.84 mm
打包封裝:0805(2012 Metric),卷帶(EIA-481-D)

表現形式
?低復制不足
?相當更適合LTE用途要設計的概念
?可外壁安裝使用
?磁帶和魔石
?非導電外表層
?符合RoHS原則
?無鹵素燈泡
軟件應用好處
?低的成本、高一致性,可使用在于多地量移動式機械、CPE、蜂窩微波通信等 LTE/5G POS機終端。
?兼容串并聯拓展運動:4 只并接可將 12.5 Ω進一步降為 3 Ω,再并聯電阻計算 1 只就能完成50 Ω→3 Ω轉型,作為高電功率 PA 或全向天線配備。
?全表層里面 DC 共地,有要有益于于加偏置;僅需外接串/并濾波電容就能優化調整回波耗費。
采用科技領域
無線網絡通信設備:5G 移動通信基站、Wi-Fi 設備、rf射頻前端開發模塊電源。
穩定性信號燈正確處理:差分圖像電壓放大器、混頻器、濾波器等電路原理的輸出阻抗自動匹配。
高頻電路原理規劃:應該徵型化、高特性電壓器的的場景。
河南市立維創展科學是Anaren茶葉品牌的代理商商,重點出具貼片混合型解耦電路器、巴倫電抗器、延遲時間線、定向生解耦電路器、Doherty合路器、功分器、微蜂窩型解耦器、 RF Crossovers設備,設備原裝進口庫存商品,比較有價好處,青睞服務咨詢。