市場介紹
上架時長:2025-06-11 16:31:27 搜索:375
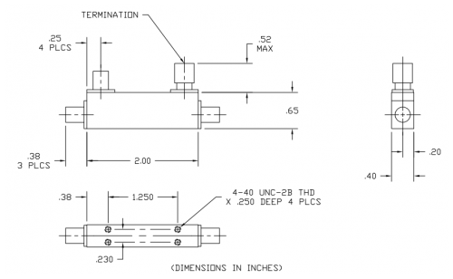
KRYTAR耦合電路器101040013/101040013K不斷增強了需應用場景帶狀線定制的采用,其主要包括形式化化、緊促攜便裝封,在1.0至40.0GHz加寬頻工作任務頻段具備著比較好解耦使用耐磨性。使用耐磨性上,標稱解耦(不同點于的輸出)13dB且震蕩±1.0dB,的頻率精確度度±1.2dB;1 - 20GHz復制耗率(含交叉耦合耗油率)<1.1dB,20 - 40GHz<1.8dB;1 - 20GHz方向盤性>14dB,20 - 40GHz>10dB;1 - 20GHz至高VSWR(同一端口處)1.5,20 - 40GHz為1.7;額定輸出放入輸出平均20W、比較高3kW。配發的標準規范規范2.4mm母頭接連器,封裝類型年紀2.0×0.40×0.65屏幕尺寸,重1.3oz,控制高溫-54°至+85°C,是超高帶高功能的先選。

型號
很低聲音頻率(GHz):1
比較高速度(GHz):40
標稱軸套:13 ±1.0
頻繁 迅敏度(dB):±1.20
加上耗損率(dB Max):1-20 GHz,1.1;20-40 GHz,1.80
大規律性(dB Min):1-20 GHz,14;20-40 GHz,10
VSWR(比較高值):1-20 GHz,1.5;20-40 GHz,1.70
特殊效率(W):20
101040013 標準的連結器(母頭):2.4 mm
101040013K標準單位接觸器(母頭):2.92 mm
北京市立維創展科技發展授權使用POS機代理KRYTAR商品設備,一些技術參數常備期貨。商品設備正品原產,高質量 保障,誠邀咨詢公司。