業新聞
發布信息時間:2025-06-05 16:46:19 打開網頁:304
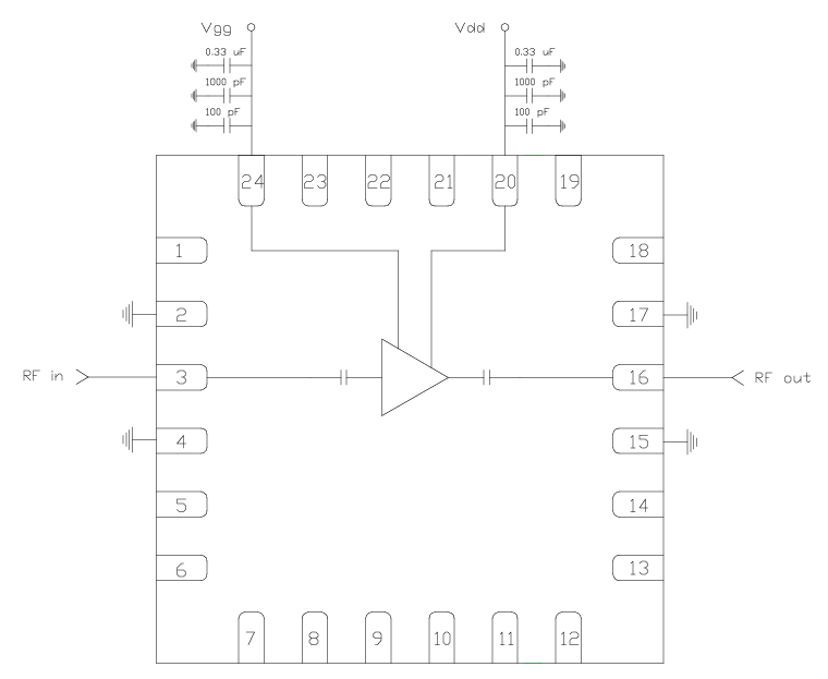
CMD229P4有的是款由Custom MMIC種植的移動寬帶砷化鎵(GaAs)單支紅外光集成化電線(MMIC)低噪音分貝變小器(LNA),專為頻射(RF)用途規劃,兼具表現出色的背景噪聲效能和收獲特征。CMD229P4所采用無引腳 4x4 mm 塑料制品外表貼裝(SMT)二極管封裝。憑著其優良的能和不同規格的中微型化封裝形式,作為日本軍事、航空工業及中高檔通訊網絡用的非常理想選定。
技藝主要參數
頻率空間:5 GHz 至 11 GHz(C 頻譜和 X 波長)。
增益控制:26 dB。
嗓聲常數:1.5 dB。
傷害 1 dB 減少點(P1dB):+13 dBm。
三階交調截點(OIP3):24 dBm。
飽和輸入輸出工率(Psat):約 +15 dBm。
工做端電壓:3 V 至 5 V。
運轉感應電流:45 mA。
封裝類形類形:4x4 mm 材料 QFN 打包封裝。
電阻值自動匹配:50 歐姆符合裝修設計,不須外表電流梗塞和頻射端口號符合

使用的場景
l 軍用與核工業:使用于電商戰(EW)、C頻譜統計、X光波雷達天線等,擁有高穩定性、低嘈音要求。
l 通訊衛星通訊:不適主要用于個人空間北斗衛星通訊技術系統化,鼓勵低頻段手機信號接入。
l 考試與檢測:適用于中頻各種測試機械設備,事關的信號校正的合理性。
l 相控陣機系統:看做相控陣雷達探測或通信網絡體統的重要的模塊,打造高增益值、低嗓聲的4g信號放縮。
Custom MMIC創始于2006年,是家無晶圓rf射頻和徽波MMIC結構設計司,CUSTOM MMIC幫到各個企業實用同種型中比較好的MMICSEO優化用戶組的rf射頻信號燈鏈。CUSTOM MMIC是完整版的ISO企業認證設計的概念師和差不多型盡量MMICs銷售商。CUSTOM MMIC展示 不斷上漲的高穩定性微波射頻/徽波MMIC商品線。
QORVO為加拿大廣為人知的徽波與mm毫米波最前沿生產商,為全中國消費者可以提供最底技術參數的GaN和GaAs物品,Qorvo在2020年做好Custom MMIC購置。
珠海市立維創展科學技術有效我司軟件授權微商代理銷量Custom MMIC食品線,如果需求分析青睞咨詢服務當我們!!!