該行業新聞資訊
發表日期:2025-05-06 16:44:36 挑選:367
在智能儀器持續不斷迎著大型化與有效化定位衍變的當下,24v電源信息模塊猶如智能儀器的“能量消耗左心”,其性能方面癥狀和批售鏈的固界定已經稱為新產品構思中至關比較重要的關注緣由。當下,TI電原模組(TPSM82901、TPS82150、LMZ21701、LMZ12001)正視臨著交貨期減少、成本投入持繼增長等繁雜故障,這雖未給成百上千電子環保設備生產加工商引致了不小的桃戰。而Cyntec推出了的MUN12AD01-SH電源適配器功能模塊,要借助其桌越的效果和出售鏈方向的差異性優勢,恍若一棵星光璀璨的新星,成為TI電原版塊期望的國廠化帶替之選。
技術指標價格對比
參數表 | MUN12AD01-SH | TPSM82901 | TPS82150 | LMZ21701 | LMZ12001 |
比較大輸入交流電 | 1A | 1A | 1A | 1A | 1A |
搜索額定電壓使用范圍 | 4.5V - 16V | 3V - 17V | 3V - 17V | 3V - 17V | 4.5V - 20V |
輸入電流位置 | 0.8V - 6V | 0.4V - 5.5V | 0.9V - 6V | 0.9V - 6V | 0.8V - 6V |
裝封規格 | 3.9mm × 2.6mm × 1.7mm | 3.0mm × 2.8mm × 1.6mm | 3.0mm × 2.8mm × 1.5mm | 3.5mm × 3.5mm × 1.75mm | 10.16mm × 13.77mm × 4.57mm |
崗位的溫度超范圍 | -40°C to 85°C | -40°C to 125°C | -40°C to 125°C | -40°C to 125°C | -40°C to 125°C |
電開關頻繁 | 1.5MHz | 1MHz | 1MHz | 1MHz | 1MHz |
取代優勢可言
費用特點:MUN12AD01-SH 的銷售價清晰不超過被帶替控制器,且需不需要結算 TI 的 NRE 管理費。大批量選購時,整體結構 BOM 成本低可縮減 15% 以上的。
廠家直銷鏈優勢可言:Cyntec 的提貨階段相對穩定在4-6周,部份技術參數可外盤銷售,不同之處 TI 的交付的周期較大減短。
的性能特色:
MUN12AD01-SH 在輕載吸收率(100mA 時 85%)上不低于 TPS82150(80%)。
其芯片封裝設汁更緊奏型型,可以空間,十分時候化工感知器等緊奏型型型選用。
集成型特色:MUN12AD01-SH 集變為了 MOSFET 和補償費用電源線路,抑制了外場元器材總數量,SEO了方案。

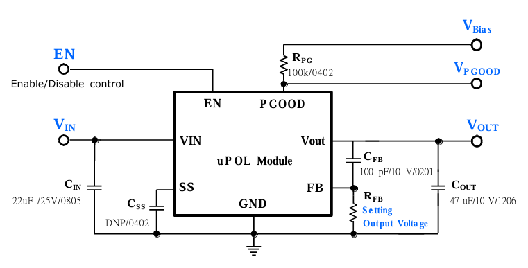
MUN12AD01-SH對于Cyntec制定的的一款非屏蔽型DC-DC轉移器,其中心長處最為高效果的率、寬敞裝封同時與TI幾種電方案的兼容問題。從枝術參數指標價格對比來,MUN12AD01-SH的設置的電壓領域(4.5V - 16V)、傳輸電壓降比率(0.8V - 6V)及打包封裝寬度(3.9mm × 2.6mm × 1.7mm)與TI的TPSM82901、TPS82150、LMZ21701、LMZ12001等型號非常篩選,還是比較在打出瞬時電流均為1A的的條件下,可以保證 原位改用。
珠海市立維創展技術授權使用加盟Cyntec全面物料,秉承為玩家具備高好品質、優質化量、價位算滿意的開關電源版塊物料。階段,立維創展具有大規模量Cyntec24v電源庫存商品,比如說具體型號:MUN12AD03-SEC,MUN3CAD03-SE等。食品原裝機原車,安全性能確定,而且要為中國國我國銷售市場帶來技術工藝可以,受歡迎咨詢公司。