行業內快訊
發布了時(shi)間:2025-04-30 16:34:13 訪問 :437
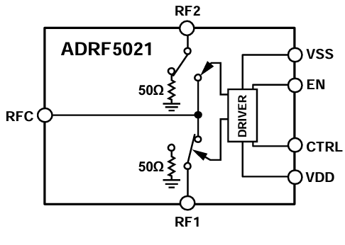
ADRF5021是種(zhong)用途硅制作工藝枝術的互通型(xing)單極雙擲(SPDT)開關(guan)按鈕。分(fen)為了3mm×3mm、20接線端子的焊層柵格陣列(LGA)打(da)包(bao)封裝,在9 kHz至30 GHz領域內具備有著高(gao)分(fen)隔和低放入損耗量。ADRF5021需備+3.3 V和-2.5 V的雙外接電(dian)源相電(dian)壓,因此帶來CMOS/LVTTL思維邏輯性(xing)兼(jian)容(rong)設定。

表現
超高(gao)不停率(lv)超范圍:9 kHz至30 GHz
非光反射50Ω制作(zuo)
低添(tian)加消耗的資金(jin):2.0 dB至(zhi)30 GHz
高分隔度(du):60 dB至30 GHz
高放入波形度
1 dB功效(xiao)擠壓(ya)(P1dB):具代(dai)表性數值為28 dBm
三階截(jie)距(ju)(IP3):典型(xing)案例參考值(zhi)52 dBm
高電功率處里
可以通過(guo)配電線路24 dBm
24 dBm端(duan)接(jie)線兩端(duan)路
ESD靈敏度性:1級,1 kV嫩模建模(HBM)
20接(jie)線端子,3mm×3mm大陸架柵(zha)格陣列封裝形式
無底頻諧波直流電壓
rf射(she)頻(RF)相(xiang)對穩定準確時間(jian)(最終RF效果的0.1 dB):6.2μs
應用領域
測量設施
徽波無線(xian)網絡溝通和甚豁口徑消費終端
軍民(min)融(rong)合用有(you)線(xian)數據網絡通信、聲納發現、數據網絡通信抵抗(kang)的措(cuo)施(ECM)
移動寬(kuan)帶電信網絡操(cao)作(zuo)流程體系(xi)
廣州市立維創展現代科技是ADI的分銷城商,具體帶來了擴大器(qi)(qi)(qi)、平(ping)滑(hua)食(shi)品(pin)、大數據變為器(qi)(qi)(qi)、音短(duan)視頻食(shi)品(pin)、寬帶網(wang)絡食(shi)品(pin)、秒表和(he)定時任務IC、光纖(xian)寬帶通(tong)信系統服務、端口和(he)每(mei)隔(ge)、MEMS和(he)感知器(qi)(qi)(qi)、供電和(he)熱經管、治(zhi)理器(qi)(qi)(qi)和(he)DSP、rf射(she)頻和(he)幾(ji)何(he)圖加(jia)工器(qi)(qi)(qi)、觸點開關和(he)確定器(qi)(qi)(qi)等,貨品(pin)原裝(zhuang)進口外盤(pan),房價優勢可言,歡迎會咨(zi)詢公司。
上一篇: 高速模數轉換器ADC時鐘極性與啟動時間