服務業咨詢
推出日子:2025-04-28 16:35:21 查詢:437
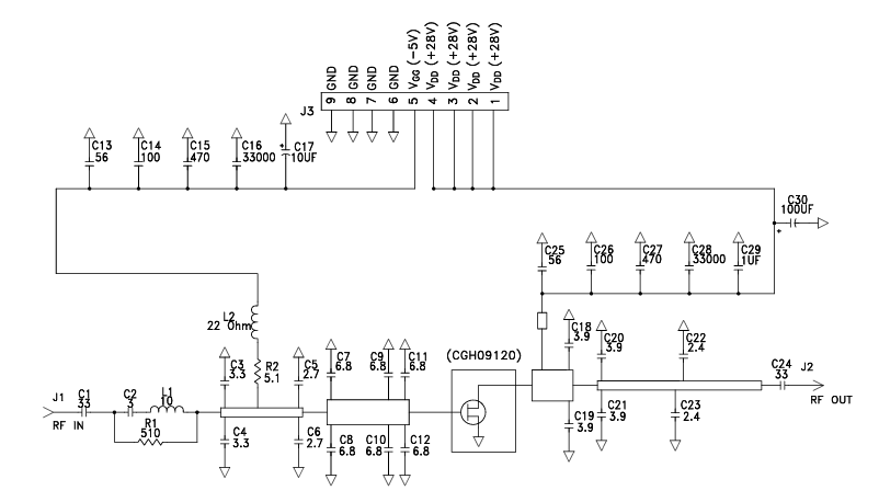
CGH09120F有的是款由 Wolfspeed(原CREE科銳)大公司生產加工的高電子為了滿足電子時代發展的需求,知識率晶胞管(HEMT),采用了氮化鎵(GaN)水平,含有有的效率率、高增益控制和帶寬實力,兼容網絡帶寬訊號正確處理,尤為合適必須要新動態頻段懂得調整的整體。

具體性
幀率時間范圍:UHF 至 2.5 GHz。
輸入功率輸入:120 瓦。
增益控制:21 聲音分貝。
工做工作頻率:28 V。
封裝手段手段:瓷器/黑色金屬法蘭盤封口。
熱效率:在 20 W PAVE 時效性率是 35%。
應用軟件主要優勢:適用高寬比加數預失幀(DPD)較準。
系統價格對比與特色
參數值 | CGH09120F | 硅基LDMOS | 備注欄 |
率受限制 | 2.5 GHz | 一般而言<1 GHz | GaN在中頻下熱效率高 |
效率密度計算公式 | 4.3 W/mm2 | 約1 W/mm2 | 合適家用suvsuv型制定 |
工作效率(PAVE) | 35% | 20%~25% | 同質性下降系統軟件耗電量 |
散熱量 | 1.2°C/W | 2.5°C/W | 可薦的水冷散熱實力 |
應用領域
手機無線數據通信移動移動通信基站
用于 LTE、WCDMA 或 MC-GSM 通信基站設備輸出功率放小器的核心區配件,提供數據更高生產率、高波形的頻射的信號放小,拉低通信基站設備能源消耗與運營管理總成本。
適用人群于多載波締合(CA)場合,在 DPD 科技加快多載波數字信號的直線度。
雷達探測與電子技術戰模式
在聲納散發機中保持寬帶網數據的高效率變成,可以支持得辨別好壞率顯像與關鍵觀測。
適用人群于智能戰中的電磁干擾機,根據高輸出、寬帶網絡寬性能達到更好的無線信號壓榨。
衛星影像網絡通信與微波射頻傳送數據
在 Ka 頻段或 Ku 頻段遙感衛星無線通信網絡終端中,看作電機電機功率放小元器件,提高平衡的數據收獲與轉換電機電機功率。
常使用徽波發送線路,可以長長度、高儲存量的統計數據無線傳輸。
東莞 市立維創展科技創新是CREE的經銷處商,CREE我司貨品收錄:LED存儲芯片、照明電器LED、背光LED、電源開關按鈕開關按鈕系統、rf射頻機械設備用LED和無線路由電系統。中鐵二院通過其優美的銷售渠道方式,成為長年的銷量以無法中國國家市場上的需求量。感謝資訊。