制造行業房產資訊
更新時期:2025-04-21 16:58:16 查詢:374
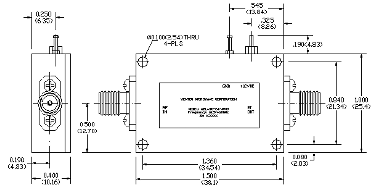
ALN4250-12-3535毫米(mm)波低嘈音擴大器(LNA)是WENTEQ公司的在分米波光纖通信科技領域的關鍵廠品,大面積應用于5G/6G通訊、溝通衛星通訊、統計體系等中頻場景中。ALN4250-12-3535選擇高端的半導體器件制作工藝(如GaAs、GaN)和精準電路原理定制,噪聲污染指數低至0.5dB,有效地抑止平臺低頻噪音,優化數字信號對比度度。WENTEQ Microwave的亳米波低環境噪聲變成器仰仗其技木優越、定制化化程度和成本費效益分析,在國內股票市場占去關鍵社會地位。
有特點:
從40.0到45.0GHz的低噪音分貝、高增加收益運行
低VSWR,無必備條件安全穩定
體積大概小,成本又低
2.4mm女子相連器輸入/輸入輸出
要單直流電原電原,原機電流值設定器
運轉溫度因素-40~+75°C,放置濕度-55~+85°C
北京市市立維創展科技公司是WENTEQ的供應商商,首要提拱WENTEQ食品有環型器、防護隔離器、負債終端用戶等,食品正品進口的,安全性能保持,價格優越,喜愛了解。

Parameters | Specifications | |||
Minimum | Typical | Maximum | ||
Frequency Range | GHz | 40.0 | 45.0 | |
Nominal Gain @25°C base plate temperature | dB | 31.0 | 35.0 | 38.0 |
Noise Figure | dB | 3.5 | 4.5 | |
P-1dB Compression Point | dBm | 15.0 | 16.0 | |
Output IP3 | dBm | 23.0 | 25.0 | |
Gain flatness | dB | +/-1.0 | +/-1.5 | |
Gain Variation over Temperature Range | dB | +/-1.5 | ||
Reverse Isolation | dB | 45.0 | ||
Input VSWR | - | 2.0:1 | 3.0:1 | |
Output VSWR | - | 2.0:1 | 3.0:1 | |
Spurious | dBc | 60.0 | ||
Operating Temperature | °C | -40.0 | +75.0 | |
Survival Temperature | °C | -45.0 | +85.0 | |
DC Power Supply Voltage | V | +12.0 | ||
DC Power Supply Current | mA | 250.0 | 300.0 | |
RF In/Out connectors | 2.4mm-Female | |||
DC Input Connector | Feedthru Pin | |||
Size | inches | |||