制造行業手游資訊
發布信息時長:2025-03-19 15:38:20 看:407
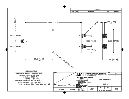
PS2-88額定功率左右器是MCLI產品品牌開發的一臺高的性能頻射紅外光電子元件,專屬PS2產品系列2路電率安排器。PS2-88瓦數左右器是一個款高功效的微波射頻衛星信號左右專用設備,常廣泛用于WiFi、5G等低頻光纖通信測試圖片方法消費場景。其寬頻率段、低插損和高分隔度的特征參數使其在頻射測試圖片方法中特征優良。
因素
等級分類:2-Way Power Divider-Stripline
轉換結構類型:雙相
PS2-88連接方式器:SMA 主板接口
PS2-88/NF連結器:N 接口標準
至少幀率空間 (GHz):0.13
極大頻率范圍之內 (GHz):0.55
復制到耗用 (dB):0.4
防曬隔離霜 (dB):20
VSWR 錄入:1.15:1
VSWR 輸送:1.15:1
波動動態平衡:0.2
相位穩定性:2
輸出失衡 (W):30

軟件優劣勢
高要進行隔離度:為了確保預警分銷時的騷擾最少化。
低插損:降低無線信號發送中的能力損失率。
寬頻帶寬度可以支持:網絡覆蓋2-8 GHz,使用到很多種通訊技術頻段。
自動化設備安全性:的外殼采取亮光漆工藝設計,耐磨涂層損不銹鋼、耐磨涂層。
用途應用領域
頻射微波通信體統
網絡通訊基站天線:廣泛用于手機信號分路與生成,優化網絡同軸電纜饋國家電網絡。
統計控制系統:用作出入庫前沿的關健電子元件,平均分配/聚合高頻4g信號。
檢查設備:在矢量素材互聯網講解儀、數據信息源中為數據信息平均分配版塊。
輕工業與俄羅斯軍事行業
行業調節器器:中用高頻率預警傳導與配置,升高體系正規性。
軍工用安全可靠:在抗打擾、高隔離開度需要的3d場景中引領重要角色。
南京市立維創展科技信息受限新公司授權書進口代理售賣MCLI品牌,MCLI而使更快優質的加工過程和原文件料存儲優缺點,能做到更快開發和開發。MCLI完全符合ISO 9001:2000身份認證規定,并依據了MIL-I-45208和MIL-Q-9858A認真。歡迎辭諮詢。