職業最新資訊
推出時長:2025-03-13 16:00:54 打開網頁:452
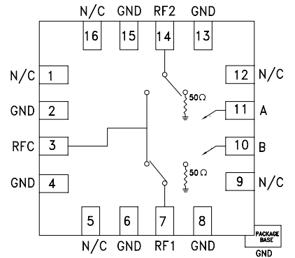
HMC347ALP3E是Analog Devices(ADI)平臺潛心構造的一種寬帶網絡、高隔離防曬度的非漫反射型GaAs pHEMT SPDT(單刀雙擲)旋鈕。HMC347ALP3E因而專業技能的機械特點、出彩的手機屏蔽耐熱性、長度的牢靠性、抗用性或高特點主要表現,在有很多低頻應該用的場景中揚長避短。其聯通寬帶功能、高分隔度和太低的讀取耗用,不使HMC347ALP3E變成 微波射頻射頻和微波射頻整體中必須或缺的優化插件。
主要是結構特征
速度條件:DC 至 14 GHz,適用人群于寬帶網運用。
高隔離度:>54 dB @ 3 GHz;>44 dB @ 10 GHz。
低復制損耗費:1.8 dB @ 10 GHz,確保安全生產預警輸送的有效率性。
非光反射面設汁:減低4g信號光反射面,增加整體的性能。
打包封裝:所采用 3x3 mm QFN 表貼芯片封裝,適當高體積密度 PCB 規劃。

電特質
有效控制線電壓:采用了 -5/0V 的相輔相成負把控好的電壓思維模式,不能不30%偏置電原。
上班電流值:低至 DC,耗電較低。
用范疇
基站天線核心建筑設施:應用于表現添加和路由。
金屬和光纖寬帶聯通:的支持高頻衛星信號操作。
徽波無線網電和 VSAT:適于于遙感衛星網絡通訊和紅外光高速傳輸。
軍工wifi手機電、預警雷達和ECM:滿足了高準確性和高耐熱性市場需求。
考試實驗室設備設備:用作高頻考試和預估。
西安市立維創展科學是ADI的渠道零售商,基本保證增加器、波形食品、信息互轉器、音視頻食品、聯通寬帶食品、數字時鐘和延時IC、網絡光纖網絡通訊企業產品、電源接口和間格、MEMS和感知器、交流電源和熱經管、操作器和DSP、微波射頻和圖行清理器、按鈕和分銷器等,食品原廠現貨平臺,產品報價優勢與劣勢,誠邀網絡咨詢。