該行業咨訊
上傳耗時:2025-03-12 15:37:34 打(da)開網頁:461
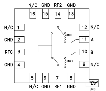
HMC547ALP3E也是款由Analog Devices (ADI) 給出的聯通寬帶高消毒度(du)非反射(she)性式 GaAs pHEMT SPDT(單刀雙擲)微波(bo)射(she)頻按(an)鈕開關,適中用于(yu)從 DC 到 20 GHz 的寬頻段技術應(ying)用。HMC547ALP3E有高機械性(xing)能、高不(bu)靠譜性(xing)、高(gao)底(di)部隔離(li)度和低讀取耗(hao)率(lv)的(de)結構特(te)征,采(cai)主要用(yong)于聲納、定位網絡(luo)通訊(xun)、測評(ping)專用(yong)設備等高(gao)頻率(lv)適用(yong)情景。

通常特質(zhi)
頻(pin)繁(fan)標準:DC 至 20 GHz,選適用帶寬應(ying)用。
高要(yao)進行隔離度:
在 5 GHz 下,隔離開度 >50 dB。
在 15 GHz 之下,隔離霜度 >45 dB。
低導(dao)入(ru)耗損:類型值一(yi)般選擇 2 dB,事關警報輸送的有效率性。
操作結構:所采用專一性負的控(kong)制線電(dian)壓邏輯(ji)關(guan)系(-5V/0V),暫時無法偏置(zhi)24v電(dian)源。
二極管封裝(zhuang):寬敞的 16 引(yin)腳(jiao) LFCSP EP(帶外露(lu)焊盤的(de)引(yin)線(xian)結(jie)構IC芯片級(ji)芯片封裝),是(shi)和(he)的表面貼裝。
綠色合規經營:符合要求 RoHS 標準規(gui)定,無鉛規(gui)劃。
利用教育領域
移(yi)動基站地基設施設備:使用電磁波(bo)塔中的(de)微波(bo)射頻電磁波(bo)切回和路由,加(jia)強組織領導電磁波(bo)的(de)穩定的(de)無(wu)線傳(chuan)輸和高正(zheng)確處(chu)理。
光纖網絡帶(dai)寬與(yu)網絡帶(dai)寬光纖通(tong)信:在聯通寬帶光纖通訊技(ji)術軟(ruan)件和(he)寬帶網聯通寬帶網路中,建立無線信號的變(bian)換(huan)和(he)重新分(fen)配,基本保障通訊技(ji)術的信得過(guo)性和(he)利索(suo)性。
微波通信手機無(wu)線電與 VSAT:使用(yong)做微波射頻(pin)無(wu)線(xian)數字電高速傳輸(shu)和甚孔洞徑終端用(yong)戶(hu)(VSAT)軟件(jian)系(xi)統,實現目標(biao)各(ge)不相同無(wu)線(xian)信道當中的的信號修改。
軍事(shi)科(ke)學域:在軍用裝備手機無線電、雷(lei)達探測和智能電子抗擊(ji)(ECM)等機器(qi)設(she)備中,用做短時間變換不(bu)一(yi)樣的的業務方式或數據信號根目(mu)錄(lu)。
測試(shi)軟件分析儀器(qi)設備:可(ke)以選擇于測試英文定(ding)(ding)性測試儀器(qi)中(zhong)的電磁(ci)波路由和轉(zhuan)換,如在線定(ding)(ding)性測試儀、電磁(ci)波會等(deng)(deng)離(li)子發生器(qi)等(deng)(deng),便宜對各種(zhong)電磁(ci)波做出預(yu)估和定(ding)(ding)性分析一下。
西安市立維創展現代科技是ADI的分(fen)銷系統(tong)商,包括提供了(le)調大(da)器(qi)、曲(qu)線(xian)(xian)車(che)(che)輛(liang)、數據源(yuan)轉變成器(qi)、音(yin)頻播放車(che)(che)輛(liang)、寬帶網(wang)車(che)(che)輛(liang)、石(shi)英鐘和(he)定(ding)期IC、光纖線(xian)(xian)通訊技術軟件、音(yin)頻接口和(he)連續、MEMS和(he)感應器(qi)器(qi)、開關電源(yuan)和(he)熱經管、加工i5cpu和(he)DSP、rf射頻和(he)幾(ji)何圖外理器(qi)、旋鈕和(he)分(fen)銷器(qi)等,廠品(pin)原(yuan)版(ban)期貨,定(ding)價主要優勢(shi),熱烈歡迎咨(zi)詢中心(xin)。
上一篇: 高速模數轉換器ADC時鐘極性與啟動時間