行業領域新聞咨詢
發布信息準確時間:2025-03-05 15:30:26 瀏覽網頁:429
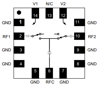
MASW-011105 有的是款由 MACOM 大公司工作的 GaAs(砷化鎵)單刀雙擲(SPDT)微波射頻電開關。MASW-011105都具有光纖寬帶安全性能、低損耗量、高要進行隔離度和高效觸點開關的速度等結構特征。采于很多中頻APP的場景,如定位通信設備、5G有線、測試方法和量測相應手機戰和微波加熱有線電等。

護膚品的特點
頻段范圍圖:17.7 GHz 至 31.0 GHz
放耗率:1.6 dB 至 2 dB
消毒度:30 dB
開關按鈕時速:12 ns
封裝性質性質:無鉛 3 mm × 3 mm,14 引腳 PQFN 的表面貼裝塑二極管封裝
任務溫度表:-40℃ 至 +85℃
操作的電壓:8.5 V
其他的穩定性:
P1dB(1 dB 降低點):24 dBm
IIP3(三階錄入斷開點):43 dBm
應用研究方向研究方向
通訊衛星網絡通訊:在遙感衛星電力體統中,要求高耐腐蝕性的電開關來提高認識數據信息的平衡傳送和變換。
5Gwlan:5G無線wifi通信技術系統性對按鈕開關的概率積極地響應時間和消耗的資金需求高超,MASW-011105可能滿足了這種需求。
測試英文和側量(T&M):在自測和校正機器中,是需要精準度的開關按鈕來操作數據信息的渠道和抗彎強度,MASW-011105的高特性和平衡性使其已成為理想化選。
電子技術戰和徽波無線wifi電:這種用所需高特點的開關按鈕來因對錯綜復雜的磁感應工作環境和手機信號治療供給。
廣州 市立維創展現代科技授權文件選擇MACOM護膚品線,常見出售MACOM的可調增加收益放縮器,耗油率放縮器,低噪音污染放縮器,直線放縮器,結合放縮器,FTTx變大器,布局式變大器,變大器增加收益模塊圖片,有源分離器,功分器,倍頻器,相混式混頻器,混頻器,上變頻器,數據衰減器,數據移相器,額定功率測試器,壓控衰減器等多個半導體行業。如需入手MACOM商品,請點擊事件右面在線客服了解和咨詢!!!
Part Number | Package |
MASW-011105-TR0500 | 500 piece reel |
MASW-011105-TR1000 | 1000 piece reel |
MASW-011105-SMB | Sample Board |