企業咨詢
公布時間段:2025-02-20 15:48:11 瀏覽訪問:474
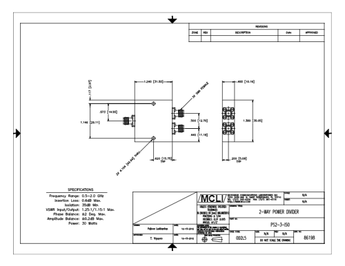
PS2-3-ISO帶狀線雙軌功效都分配好器由MCLI單位產量的極具有速率率藝和原料料貨存其優勢,MCLI產出具體步驟不符合 ISO 9001:2000 安全認證原則,并能夠 MIL-I-45208 和 MIL-Q-9858A 等軍事戰爭要求v認證。PS2-3-ISO帶狀線交叉電率調整工器具有市場大的耐腐蝕性和諸多操作景象的電率調整器。用利用帶狀線設置、交叉調整系統并且 SEO的技木目標,使其成為頻射/徽波中的理想型選擇。

產品參數
接器:SMA母頭
最大頻次的范圍(GHz):0.5
最大化平率范圍內(GHz):2
插入表格損失(dB):0.6
要進行隔離度(dB):35
駐波比:1.25:1
駐波比傳輸:1.15:1
振動幅度平衡點:0.2
相位穩定平衡:2
總值最大功率(W):30
崗位體溫(°C):-55至+95
廣泛應用范圍
網絡通訊裝置:在移動4g信號塔和直放站等場地設施內,rf射頻移動4g信號功效被有效性地分配比例至有差異 的出入口或wifi天線,以不支持移動4g信號的發送信息與吸收系統。諸如,在4G及5G安全可靠手機網絡中,預警塔所發表的預警會被精準度地分配原則到多條無線實現新聞廣播,因而減少預警的重疊空間并完善預警質理。
預警汽車雷達檢測平臺:在預警汽車雷達檢測平臺中,發射成功機的工作功率被合理有效分配權到每一個定向定向天線機組,另外,根據倆個定向定向天線的考慮到衛星信號被組成至考慮到機,提升了預警汽車雷達檢測的檢測性與區分率。
微波通信頻射測評體統:頻射微波通信頻射測評設施,舉例子衛星訊號源和頻譜具體講解儀器,采用效率劃分技能將衛星訊號傳輸至個個檢查端口號,為多種基本參數的量測與具體講解供給了方便快捷。
流量定位影像流量系統:在流量定位影像地板站及流量定位影像分享器等機器設備中,網絡信號效率的都分配好與人工枝術確保安全了流量定位影像流量系統的安全穩定運轉與高效益傳導。
西安市立維創展科技創新受限公司授權書代辦賣出MCLI物料,MCLI以短時間提高效率的加工和鋼筋取樣料庫存量強勢,會達成短時間的生產和手工制造。MCLI按照ISO 9001:2000認真標準規定,并進行了MIL-I-45208和MIL-Q-9858A資質認證。歡迎語了解和咨詢。