該行業手游資訊
公布的精力:2025-02-18 15:53:51 瀏覽網頁:458
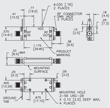
A2CP12026是Teledyne防務光學司集團的COUGARPAK?一系列擴大器。靠著好的效果、突出的可靠性、低碳排放量包括省時的集成型優點,A2CP12026廣泛性用在徽波數據通信、聲納設計及測試圖片檢測的等2個前沿技術。

常規運作
辦公頻率范圍內:6.0 GHz至12.0 GHz
高收獲:25.0dB
低的噪音標準值:2.5dB
一般所在的水平:+21.0 dBm
高單向隔絕:50.0dB
室內溫度比率:-55°C至+85°C
廣泛運用領域
微波加熱網絡通訊:在微波射頻通訊網絡信息網絡信息中,A2CP12026用來擴展rf射頻數據,能夠房屋補償數據傳導具體步驟中的衰減,確認長間距電力的數據構造與線質量水平,因而擴展電力合并比率,增強電力線質量水平。
聲納測探:在統計設計中,A2CP12026 就可以改善統計發送與發送到預警的力度,而使加強統計的測探差距,挺高測探導致精度,我們對受眾的精準測試與偵測至關更重要。
電子對敵:在智能電子抗擊行業領域,A2CP12026既能加強影響數據的散發承載力,上升影響功能,能不能放縮接收到到的敵人數據,為數據分析和施工反擊方式帶來有利使用。
通訊衛星網絡通訊:在衛星信號網絡通訊中,A2CP12026 用作調大通訊北斗衛星的信號地面上站與通訊北斗衛星的信號間傳導的上行速率與下行帶寬的信號,確保安全通訊北斗衛星的信號通信技術鏈的安全穩相關性和數值傳導的牢靠性。
佛山市立維創展科技創新是Teledyne防務光電的經銷處商,作為Teledyne防務電子元器件成品包涵LDMOS、GaN、GaAs和InP。Teledyne防務電子無線好產品認可寬頻率段、窄帶、電脈沖調小器,好處方式給予Teledyne防務電子無線定購,迎接在線咨詢。
Frequency (Min.) | 5.0-12.0 GHz | 6.0-12.0 GHz | 6.0-12.0 GHz |
Small Signal Gain (Min.) | 25.0 dB | 24.0 dB | 23.5 dB |
Gain Flatness (Max.) | ±1.0 dB | ±1.5 dB | ±1.7 dB |
Noise Figure (Max.) | 2.5 dB | 3.0 dB | 3.5 dB |
SWR (Max.) Input/Output | 1.8:1 | 2.0:1 | 2.0:1 |
Power Output (Min.) @ 1dB comp. | |||
6.0 - 8.0 GHz | +19.0 dBm | +17.5 dBm | +17.0 dBm |
8.0 - 12.0 GHz | +21.0 dBm | +20.0 dBm | +19.5 dBm |
Reverse Isolation | 50 dB | — | — |
DC Current (Max.) | 130 mA | 138 mA | 142 mA |