該行業資迅
發布信息時刻:2025-02-10 15:58:30 瀏覽記錄:623
ALN3750-13-3335豪米波低的噪音縮放器是豪米波安全可靠系統中的層面配置文件,專為中頻網絡信號縮放而設計構思,尤為支持于5G及素6G安全可靠、通訊衛星安全可靠并且 聲納系統化等mm毫米波頻段app。
的特點:
工作頻率依據:ALN3750-13-3335在35.0至40.0GHz頻段內提供了低環境噪聲、高增益值的運營性。
平穩性與符合:擁有低電流值駐波比(VSWR),抓好無狀況不穩,提拔裝置產品安全性能。
密集經濟發展:密度嬌小,費用效果高,最適合一體化于各個狹窄型網絡通信機器設備中。
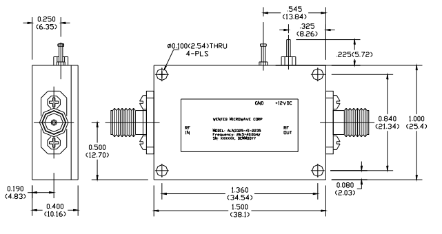
主板接口要求:應用K型母聯系器是 插入/工作輸出接口協議,利于與其它配件拼接。
外接電源需求分析:僅需過于單一整流開關電源開關輸電,內嵌相電壓調理器,減化開關電源開關控制。
攝氏度適用性強:做工作水溫區域寬(-40°C至+75°C),儲放溫度表范圍內(-55°C至+85°C),適用多自然環境標準。
能:
較低的噪音指數:ALN3750-13-3335仰仗現進的半導體行業新工藝和精致細密的電線設計的概念,推動了太低的的噪音彈性系數,更好可以抑制程序的噪音,差異性提高了信號燈清洗度。
高增益控制基本特征:為足夠毫米左右波電力對衛星信號承載力的嚴于規范,ALN3750-13-3335出具高收獲輸出,加強組織領導數字信號在無線傳輸線路中保持穩定夠了的標準,變少衰減。
好品質的固相關性:為以防自激諧振和衛星信號突變,ALN3750-13-3335選用革新的動態平衡組成部分或穩判定性強化水平,抓好在mm波頻段內穩判定工做。
珠海市立維創展信息技術是WENTEQ的銷售商,最主要的出具WENTEQ成品比如馬蹄形器、要進行隔離器、裝載終端機等,成品原版進口,性能以確保,定價優勢,歡迎圖片咨詢公司。

Parameters | Specifications | |||
Minimum | Typical | Maximum | ||
Frequency Range | GHz | 35.0 | 40.0 | |
Nominal Gain @25°C base plate temperature | dB | 30.0 | 33.0 | 36.0 |
Noise Figure | dB | 3.5 | 4.0 | |
P-1dB Compression Point | dBm | 12.0 | 15.0 | |
Output IP3 | dBm | 18.0 | 22.0 | |
Gain flatness | dB | +/-1.5 | +/-2.0 | |
Gain Variation over Temperature Range | dB | +/-1.5 | +/-2.0 | |
Reverse Isolation | dB | 55.0 | ||
Input VSWR | - | 1.8:1 | 2.5:1 | |
Output VSWR | - | 1.8:1 | 2.5:1 | |
Spurious | dBc | -70.0 | ||
Operating Temperature | °C | -40.0 | +75.0 | |
Survival Temperature | °C | -45.0 | +125.0 | |
DC Power Supply Voltage | V | +8.0 | +10.0 | +12.0 |
DC Power Supply Current | mA | 150.0 | 230.0 | 280.0 |
RF In/Out connectors | k-Female | |||
DC Input Connector | Feedthru Pin | |||
Size | inches | 1.50×1.0×0.4 | ||