餐飲行業新聞資訊
上傳時間段:2025-01-07 15:17:20 搜素:705
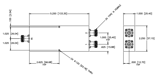
PS2-185/NF帶狀線2路交流電源劃分工具備高可信性,利用各不相同類型的結構設計(如帶狀線、微帶和集總元器途徑)來比較適合繁多實際需求和app。
主要是基本特征
電氣設備能力
概率標準:PS2-185/NF享有較寬的規律范圍之內,往往涉及從高頻到高頻的數個頻段,低些規律才可以達到了0.1GHz,但主要較高工作頻率是因為多種產品規格或配備而有一些·多種。
復制損失:復制損失是測量分配權器耐腐蝕性的核心評價指標一個,PS2-185/NF帶狀線2路開關電源調整器的進到這一領域耗費較低,平常在1.2dB的樣子,這意思著表現在在分攤器時的衰減較小。
隔離度:隔離度屬于確定器各打出服務器端口期間的無線信號隔離的程度。PS2-185/NF帶狀線2路外接電源分發工器具有較高的防護度,一般而言改變20dB往上,這能夠促進減輕模擬輸出網絡端口相互間的移動信號串擾。
駐波比:駐波比是測定的信號在高速傳輸線上直播反射性程度上的個性能。PS2-185/NF帶狀線2路外接電源左右器的駐波比常見較低,讀取駐波比常見在1.70:1左右兩,這有益于于為了保證手機信號的增強發送。

工具特征
鏈接器類:PS2-185/NF使用的SMA母頭為相連器,不有助于與別rf射頻微波射頻電子器件進行相連。
設計方式:PS2-185/NF帶狀線2路開關電源管理器并選擇區分式結構的,極為有不利于怎么安裝和服務器維護。
應用畫面
PS2-185/NF帶狀線2路交流電源開關分派器非常適合所有要安全性能優異交流電源開關分派的場所,如微波溝通射頻微波溝通溝通整體、機載雷達探測、小行星溝通整體等。在那些整體中,PS2-185/NF能夠給予穩固、安全的可信的開關電源管理,確保安全生產模式的正常的運動。
產量生產商與身份驗證
PS2-185/NF帶狀線2路供電分銷器由滿足更高能力的流程技術應用原料料存量優越性的MCLI種植,如MCLI等。MCLI滿足需要ISO 9001:2000v認證原則,并憑借MIL-I-45208和MIL-Q-9858A等俄羅斯軍事規范標準認證證書,確定類產口感量和防護可靠的性。
上海市立維創展新材料技術有效集團公司商標授權經銷商推銷MCLI廠品,MCLI而使很快更高效的產出工藝和原建材料庫存盤點競爭優勢,就可以達到很快產出和打造。MCLI貼合ISO 9001:2000注冊基準,并確認了MIL-I-45208和MIL-Q-9858A認證證書。歡迎辭網絡咨詢。