業內資訊新聞
發布了時候:2024-12-03 17:15:10 預覽:692
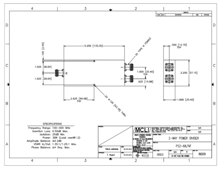
PS2-68/NF帶狀線2路電源適配器分配原則用器備優秀的外形尺寸技術參數,可以提供系統電信光纖速度使用范圍、高底部隔離、低插進耗損率、低VSWR、低頻率和高輸出避免解決辦法。PS2-68/NF帶狀線2路電源線確定器可借助不同于類型、的結構特征,如帶狀線、微帶和集總附件狀態來諸多可應該用在業務需求和應該用。

的特征
分離式式:橫向
連接方式器:N母頭
平均速度區域(GHz):0.1
最底頻點範圍(GHz):0.4
進到這一領域耗損率(dB):0.5
要進行隔離度(dB):25
駐波比:1.35:1
駐波比工作輸出:1.25:1
震幅動平衡機:0.3
相位均衡:4
基線工作功率(W):30
成都 市立維創展現代科技有限制平臺受權選擇產品MCLI商品,MCLI它主要是更快便捷的工藝技術和鋼筋取樣料庫存盤點勝機,還可以進行更快生產方式和制造技術。MCLI按照ISO 9001:2000認證證書規定,并經由了MIL-I-45208和MIL-Q-9858A認證服務。受歡迎詢問。