的行業介紹
頒布期限:2024-11-05 17:41:59 瀏覽網頁:816
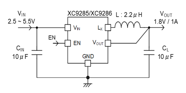
XC9285題材是TOREX電的幾款嵌入式P銑面能夠FET和N內孔推動FET的1.0A微信同步整流穩壓DC/DC改換器。
XC928524v電源線電壓是可以在 0.8V 至 3.6V 範圍,以 0.05V 距離去相對應結構設計。僅有的外面控制系統是電感電機轉子和電容(電力電容器設計)器。
HiSAT-COT操縱迅速瞬態出現異常系統也能在電機負載幅值前三天將的電壓的電壓減到最便宜,特意適用于FPGA甚至需要開關電源電壓值可以信賴性的的設備等瞬時額定負載變明顯的技巧應用。
采用適用,可能采用 SOT-25 和 USP-6C 選出擇裝封行駛。

特性
顯示額定電壓:2.5V ~ 5.5V
外接電源電壓值範圍:0.8V~ 3.6V (±2.0%)
的輸出瞬時電流:1.0A
聲音頻率范圍內:1.2MHz
高效能率:92%
功率損耗費:15μA
設定方式 :HiSAT-COT操控
保護措施設施:熱封閉
實用功能:軟再啟動
進入打出電容器器:兼容衛浴陶瓷電容器器
任務學習環境在環境溫度:-40℃ ~ 105℃
蘇州市立維創展高新科技不足新公司長處代銷TOREX交流電源元器件,大批期貨庫存積壓,祝賀聯系。
具體型號 | 種類 | 轉換電阻 | 的工作頻繁 | 封裝類型 |
| XC9285A08CMR-G | 無CL電流,無跳閘保護好 | 0.8V | 1.2MHz | SOT-25 |
| XC9285A0LCMR-G | 無CL擊穿,無過壓護理 | 0.85V | 1.2MHz | SOT-25 |
| XC9285A09CMR-G | 無CL電池充電,無燒壞防護 | 0.9V | 1.2MHz | SOT-25 |
| XC9285A0MCMR-G | 無CL釋放電能,無不導通防護 | 0.95V | 1.2MHz | SOT-25 |
| XC9285A10CMR-G | 無CL擊穿,無過壓保護好 | 1V | 1.2MHz | SOT-25 |
| XC9285A1ACMR-G | 無CL自放電,無不導通護理 | 1.05V | 1.2MHz | SOT-25 |
| XC9285A11CMR-G | 無CL自放電,無短路故障確保 | 1.1V | 1.2MHz | SOT-25 |
| XC9285A1BCMR-G | 無CL釋放電能,無不導通保養 | 1.15V | 1.2MHz | SOT-25 |
| XC9285A12CMR-G | 無CL尖端放電,無串電保養 | 1.2V | 1.2MHz | SOT-25 |
| XC9285A1CCMR-G | 無CL蓄電池充電,無短路故障維護 | 1.25V | 1.2MHz | SOT-25 |
| XC9285A13CMR-G | 無CL電流,無虛接確保 | 1.3V | 1.2MHz | SOT-25 |
| XC9285A1DCMR-G | 無CL自放電,無不導通維護 | 1.35V | 1.2MHz | SOT-25 |
| XC9285A14CMR-G | 無CL發出電,無串電保護性 | 1.4V | 1.2MHz | SOT-25 |
| XC9285A1ECMR-G | 無CL蓄電池放電,無串電保護區 | 1.45V | 1.2MHz | SOT-25 |
| XC9285A15CMR-G | 無CL充放,無過壓呵護 | 1.5V | 1.2MHz | SOT-25 |
| XC9285A1FCMR-G | 無CL自放電,無跳閘庇護 | 1.55V | 1.2MHz | SOT-25 |
| XC9285A16CMR-G | 無CL釋放,無跳閘確保 | 1.6V | 1.2MHz | SOT-25 |
| XC9285A1HCMR-G | 無CL電流,無漏電守護 | 1.65V | 1.2MHz | SOT-25 |
| XC9285A17CMR-G | 無CL電流,無出現短路保護 | 1.7V | 1.2MHz | SOT-25 |
| XC9285A1KCMR-G | 無CL自放電,無虛接保護措施 | 1.75V | 1.2MHz | SOT-25 |
| XC9285A1LCMR-G | 無CL蓄電池放電,無漏電自我保護 | 1.85V | 1.2MHz | SOT-25 |
| XC9285A19CMR-G | 無CL自放電,無不導通保護措施 | 1.9V | 1.2MHz | SOT-25 |
| XC9285A1MCMR-G | 無CL電池充電,無串電保障 | 1.95V | 1.2MHz | SOT-25 |
| XC9285A20CMR-G | 無CL電流,無發生故障保護 | 2V | 1.2MHz | SOT-25 |