行業領域房產資訊
上傳時候:2024-10-31 17:21:25 看:577
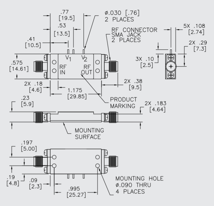
A2CP11039頻射調大器是一種款系統設計Teledyne防務電商工作研制的高的性能圖像電壓放大器,必備高至12 dB的增加收益時間范圍和4dB低相位燥聲,的頻率規模從5.0-10.0 GHz。A2CP11039rf射頻增加器當作通信管理機系統、機載聲納和電子為了滿足電子時代發展的需求,戰管理機系統等要有高精細收獲管理和高正確處理的APP。

基本參數
加寬頻:5.0-10.0 GHz
高增加收益:12.0dB
低相位噪音污染:4.0dB
高功能塑料薄膜
高功效多級CougarPak?
互個性能
舉例@25°C A2CP11039
二階諧波截掉點+63 dBm
二階雙音攔截點+57 dBm
三階雙音讀取點42 dBm
絕對比較高額定值
處理熱度-65至+150℃
高達外殼溫度+125℃
最底電流端電壓+14伏
至高維持頻射輸出工作功率+20 dBm
燒濕度:125℃
熱導率1(θjc):4.5°C/W
結升溫高過(Tjc):88.4℃
成都 市立維創展科學技術是Teledyne防務電子為了滿足電子時代發展的需求,的銷售商,展示Teledyne防務電子技術物料涉及LDMOS、GaN、GaAs和InP。Teledyne防務電子設備物品可以支持寬頻段、窄帶、單脈沖調大器,次數1MHz~220GHz,工作功率mW~10kW,強勢方法可以提供Teledyne防務光學定貨,迎接了解和咨詢。