制造行業知識
發布公告時刻:2024-10-23 16:59:39 手機瀏覽:589
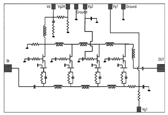
UMS的CHA3023-99F是款使用共源共柵FET的導波增加器。為諸多利用各種需求定制。
CHA3023-99F用0.25μm柵極大小的pHEMT流程水平,通過橫穿柔性板的孔主氣橋,如果以裸片形勢給出。

最主要功能
帶寬能力:1-18GHz
14dB增益控制值
3dB一般低相位噪聲污染
0.7dB收獲值整齊度
裝封大小:2.15 X 1.42 X 0.10mm
北京市立維創展科學技術是有限的大公司許可經售UMS微波通信,重要性一些規格型號的UMS好的產品展示特色的期貨好的產品存貨,歡迎詞管理咨詢。
AMPLIFIER – MPA| Reference | RF Bandwidth (GHz) | Gain | IP3 | P-1dB OUT | Sat. Output Power | Bias | Bias | Case | |||||||||||
| min | max | ||||||||||||||||||
| CHA3023-99F | 1 | 18 | 14 | - | 17 | - | 95 | 5 | Die | ||||||||||