該行業新聞
披露時候:2024-10-09 09:08:34 看:5522

Electro-Photonics的EPD-2A1-SF是一款高性能的2路0°功率分配器,具有以下特點:
1. 緊促設計方案:家庭型封裝類型,可以環境空間出現異常的適用。 2. 速率依據:覆蓋率100至500MHz,比較合適寬帶網絡應用軟件。 3. 能力良好: 同相額定功率分裂主義,為了保證數字信號一直性。 低放損耗率(明顯0.6 dB),切實保障表現服務質量。 高隔開度(不低于20 dB),縮短清算通道間串擾。 優質的波動均衡(±0.2 dB)和相位均衡(±3°)。 4. 高工作效率操作效果: 正在向馬力:50W。 反相電功率:10W。 5. 端口分類:SMA(F),專用且可靠。 6. 工作溫度規模: 做工作室內溫度:-35°C至+75°C。 非運轉溫濕度:-55°C至+100°C。 7. 顏色:白色外漆,更具技術顏色。應用領域:
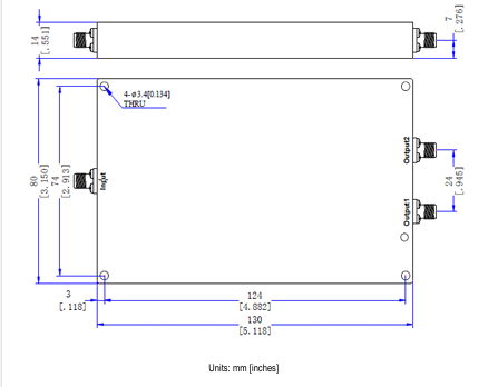
網上戰 汽車雷達模式 考試和測試機械設備 EPD-2A1-SF以它優勝的性能指標方面和緊密的長寬高,十分滿足必須 超性能指標方面無線信號左右的移動寬帶app。尺寸:

ELECTRO-PHOTONICS存在25年的唯一被動微波射頻元器件封裝設計的與制造出技術 ,新產品的覆蓋交織和定向就業交叉耦合器、功分器、濾波器、檢測板、隔開器、圓形器等新產品的。
廣州市立維創展科學是有限的我司一級代理分銷管理Electro-Photonics產品。假如需要Electro-Photonics微波射頻,追捧超鏈接左面克服連接我們公司!!!