行業領域咨訊
上線日期:2024-09-27 08:42:11 查詢:5398

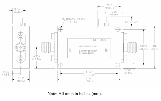
ABL2400-01-3025是由溫特(WENTEQ)公司生產的寬帶低噪聲放大器,具有以下特點和電氣規格:
特點
帶寬、低噪音:實應用在從0.1 GHz到24.0 GHz的寬規律標準,展示低噪音效能。 低VSWR,無能力可靠的:在幾種電動機扭矩能力下始終保持可靠的。 小長寬、低生產成本:規劃狹窄,經濟性便宜。 K型拼接器RF I/O:錄入傳輸采取K型rf射頻拼接器。 單主機電源開關變電:選用一名交流電主機電源開關即刻任務。 運作室內環境溫度超位置:-40至+85°C,儲備室內環境溫度超位置:-55至+125°C。電氣規格
規律使用范圍:0.1 GHz至24.0 GHz 標稱增益控制:25.0 dB至34.0 dB(主要表現值30.0 dB)噪聲系數:
- 0.1-4.0 GHz:3.5 dB至5.5 dB - 4.0-20.0 GHz:2.5 dB至4.0 dB - 20.0-24.0 GHz:3.0 dB至4.5 dBP-1dB壓縮點:
- 0.1-19.0 GHz:20.0 dBm至23.0 dBm - 19.0-24.0 GHz:18.0 dBm至21.0 dBm 飽滿輸入功效 Psat:20.0 dBm至24.0 dBm 打印輸出IP3:23.0 dBm至30.0 dBm 增加收益平淡度:±1.5 dB至±2.0 dB 攝氏度領域內增加收益變化:±2.0 dB 反方向要進行隔離度:50.0 dB 復制粘貼VSWR:1.7:1至2.5:1 模擬輸出VSWR:1.7:1至2.5:1 鄰道漏洞比:-60.0 dBc 做工作水溫:-40.0 ℃至+85.0 ℃ 殺滅平均溫度:-45.0 ℃至+125.0 ℃ 交流電電供電系統輸出功率:+12.0 V至+15.0 V 直流電壓交流電源耗用電流量:300.0 mA至350.0 mA(舉例值250.0 mA) 大小:1.50x1.0x0.40屏幕尺寸 ABL2400-01-3025放小器因為有寬速率范圍圖、低噪音分貝特點及良好的的安全性,不適使用在多樣頻射與紅外光軟件中的用,如溝通、汽車雷達和電子設備抗衡等領域行業。成都市立維創展科技公司是WENTEQ的代理商商,最主要的展示WENTEQ食品還包括橢圓形器、隔離器、根據最終等,食品原裝機進品,線質量保護,多少錢優勢可言,邀請詢問。