服務行業內容
上傳周期:2024-08-15 09:14:48 訪問 :6079

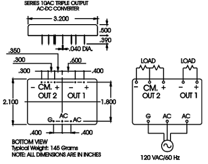
10AC12T5是一款三路輸出的AC-DC電源模塊,由PICO公司生產。這款電源模塊具有以下特點和技術參數:
1. 輸入電壓范圍:
90-130VAC (47-440Hz) 能選:170-240VAC (47-440Hz)2. 環境條件:
寬工作上體溫區域:-55°C至+85°C 經高超高溫及銹蝕自測:-55°C至+125°C3. 型號與規格:
型號:10AC12T5 主的輸出電阻:5 VDC 極限負債功率:1400 mA 最大的的輸出效率:7 W 交流電壓環境下調低區間:25%-100%環境下,±0.5% 輸出精度端電壓紋波(1.1 MHz資源帶寬下):50 mV峰谷值4. 輔助輸出電壓和電流:
輔助性導出輸出功率1:±12 VDC 極大電機負載瞬時電流1:125 mA 極限所在工作電壓1:1.5W 內容輸出電流值紋波1(1.1 MHz上行速率下):50 mV峰頂值 引導內容輸出電壓電流2:±12 VDC 最主要短路感應電流感應電流2:50 mA 最大程度效果最大功率2:1.2W 內容輸出直流電壓紋波2(1.1 MHz傳輸速率下):50 mV峰最高值5. 效率:
在滿艙情況報告下,速度為77% 此交流電源模塊圖片選于苛求的核工業軍工標準及核工業利用,可在嚴于大環境下可靠性操作。護膚品形態包擴寬輸入電壓電流降範圍、相對穩定的轉換電壓電流降、低紋波噪音分貝及提高效果率。深圳市立維創展科技是PICO公司的經銷商城商。提供數據進口商PICO24v電源包塊適配器摸塊、軍用裝備24v電源包塊適配器摸塊、高壓力24v電源包塊適配器摸塊、小規模低壓變壓器、MIL-PRF-21038/27外形尺寸配電低壓變壓器、激光脈沖配電低壓變壓器、400 MHz供電變壓器、MIL-STD-1553接口方式電力電抗器、語音電力電抗器、額定額定功率電感、袖珍型額定額定功率電感、EMI電感、薄DC-直流電電源組件組件、警用DC-DC電源適配器方案、磚塊DC-DC電源適配器控制器、高壓變壓器DC-DC、AC-DC交流電原線方案、觸點開關直流變壓器交流電原線方案、隔離開交流電原線方案、民航交流電原線方案等用途交流電原線方案和工作效率變為器。原裝進口商軟件進口商,質理能保證,受歡迎了解。