制造業資迅
公布準確時間:2024-08-15 09:08:06 觀看:782
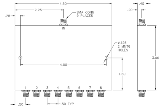
PULSAR功率分配器PS8-02-454/1S是一款高性能的8路SMA功分器,專為0.85至1.7GHz的頻率范圍設計。該設備能夠將輸入信號均勻分配到8個輸出端口,適用于多種無線通信和雷達系統。

主要特點:
次數面積:0.85-1.7 GHz 放消耗的資金費:比較大0.8dB,確認表現傳遞學習高效率,消耗的資金費低。 要進行隔離:最低20dB,有效的少各導出接口彼此的的信號串擾。 幅值取舍:很大0.4dB,以確保各輸出精度網絡端口的數據信號效果一樣。 相位不平衡量:最明顯5°,保障表現相位的不一樣性。 駐波比:更大1.30:1,網站優化無線信號反射面,升高系統性不穩性。 插入功效:極限30W,使用作高功效應運。 聯接器類:SMA題材,多兼容各個儀器。 負債VSWR:額定值發送瓦數下依賴于1.20:1,進而一個腳印提升移動信號性能。 長寬比:4.50" x 3.00" x 0.40"
廣州 市立維創展科技發展授權管理代理加盟銷售人員PULSAR徽波軟件,并提拱售服支撐安全服務,認可顧問。