這個行業快訊
公布精力:2024-08-07 08:58:58 看:780

EPD-4L-SF功分器是由ELECTRO-PHOTONICS公司生產的一款高性能、寬頻帶的4路功率分配器/組合器。該產品的主要特點和規格如下:
主要特點
路徑性: 0° 頻段領域: 4.0 GHz到8 GHz 大傷害額定功率: 30W 高功率方面: 提供了低添加耗費、高防護度、低駐波比(VSWR)和優異的波動及相位均衡性。 緊密長寬: 構思緊密,能夠在非常有限的空間內組裝和運行。性能規格
| PARAMETER | SPECIFICATION |
| FREQUENCY RANGE | 4.0-8 GHz |
| EXCESS INSERTIONLOSS* | 0.8dB |
| ISOLATION | 18 dB |
| VSWR | 1.3 |
| AMPLITUDE BALANCE | ±0.3 dB |
| PHASE BALANCE | ±3° |
| POWER HANDLING | Forward:30W |
| Reverse:1W |
應用領域
機械規格
| PARAMETER | SPECIFICATION |
| MATING INTERFACE | SMA(F) |
| OPERATINGTEMP | -55 TO+85℃ |
| NON-OPERATINGTEMP | -55 TO+100 ℃ |
| MATERIAL/FINISH | Aluminum with black epoxy |
| resin paint |
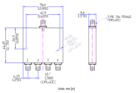
尺寸圖:

ELECTRO-PHOTONICS都有25年的處于被動rf射頻pcb板設汁與開發成功經驗,產品區域混合法和定位解耦器、功分器、濾波器、自測板、屏蔽器、環狀器等產品。
山東市立維創展科技產業比較有限子公司代分銷系統Electro-Photonics類產品。假如都要Electro-Photonics微波通信,追捧雙擊右則客服熱線聯絡人們!!!