的行業信息
發表時:2024-08-05 08:43:30 預覽:733

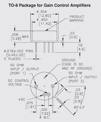
AGC525 TO-8增益控制放大器是由Teledyne防務電子設備生產的一款高性能產品。以下是該產品的詳細介紹:
基本參數
具體型號:AGC525 封口:TO-8標準規定規格尺寸封口,支持于增益把控把控擴大器 收獲:一般臨界值25.5dB,最窄臨界值24.0dB至24.5dB 收獲陡峭度:更大±0.8dB 躁聲比率:最大的5.0dB,呈現出眾的 駐波比(SWR):進入打印輸出接口均少于2.0:1控制特性
掌控范圍內:0到+5V AGC超比率:超小30dB,表現形式出寬超比率的控住力量 為了響應時候:全AGC下需小于10微秒,切換桌面加快些電氣特性
| Parameter | Typical | 0 to 50℃ | 55 to+85℃ |
| Frequency (Min.) | 10-600 MHz | 10-500 MHz | 10-500 MHz |
| Gain (Min.) Vo=0 | 25.5 dB | 24.5 dB | 24.0 dB |
| Gain Flatness(Max.) | ±0.5 dB | ±0.7 dB | ±0.8 dB |
| AGC Range(Min. | 30 dB | 26 dB | |
| Noise Figure (Max.) | 5.0 dB | 6.0 dB | 6.5 dB |
| SWR (Max.) Input/Output | <1.6:1 | 2.0:1 | 2.0:1 |
| Power Output (Min.) @1dB comp | +11.0 dBm | +10.0 dBm | +9.5 dBm |
| Response Time Full AGC | <10 μsec | ||
| DC Current(Max.) Bias | 45 mA | 48 mA | 51 mA |
| DC Current(Max.) Vo | 0 to 10 mA |
南京市立維創展高新科技是Teledyne防務手機的經銷商,展示Teledyne防務智能的產品內容涵蓋LDMOS、GaN、GaAs和InP。Teledyne防務智能產品設備線支撐寬頻率段、窄帶、電磁縮放器,頻率1MHz~220GHz,電機功率mW~10kW,長處校園營銷渠道提拱Teledyne防務電子定購,青睞咨詢中心。