制造行業房產資訊
推出時期:2024-05-22 08:56:57 挑選:864

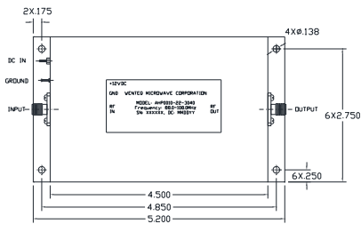
AHP0010-20-3040射頻功率放大器是WENTEQ公司生產的一款高性能微波設備。它具有以下特點:
1. 高利用率導出:能供給更是高達10瓦特的P-1dB利用率導出,確保安全走勢文件傳輸的抗彎強度和利用率。 2. 比較好的VSWR:包括穩相關性的的VSWR,保障了放縮器在的工作全過程中的穩相關性的性。 3. 高Class AB實際運作措施:主要采用Class AB實際運作措施,即在做到良好高率的直接做到良好較低的能耗。 4. SMA類形的女孩聯接器:所采用SMA類形的女孩聯接器,利于與另一紅外光設施設備聯接。 在電子商務公司管理方面,該縮放器的工作工作水溫領域為-20至+65°C,存儲器工作水溫領域為-45至+125°C,做到寬溫水平下的運行需要量。電子商務公司耐腐蝕性是指規律領域(88.0-108.0 MHz)、P-1dB降低點(+39.0至+40.0 dBm)、傳輸IP3(55.0 dBm)等,說明該縮放器在微波射頻耐腐蝕性上表達高品質。 在機械機 機 構造因素,該縮放器寸尺約為5.2x3.0x1.04英寸,省油的suv的寸尺適用于在機 內外或靜態鏈接安裝。存在DC IN、GRDUND、INPUT、OUTPUT等無線聯系點,便宜與靜態鏈接電源電路無線聯系。規格參數:
| Parameters | Units | Specifications | ||
| Minimum | Typical | Maximum | ||
| Frequency Range | MHz | 88.0 | 108.0 | |
| P-1dB Compression Point | dBm | +39.0 | +40.0 | |
| Output IP3 | dBm | 55.0 | ||
| Nominal Gain@25°℃ base plate temperature | dB | 27.0 | 30.0 | 33.0 |
| Gain flatness | dB | +/-1.0 | ||
| Gain Variation over temperature | dB | +/-1.5 | ||
| Input VSWR | 1.5:1 | 2.0:1 | ||
| Output VSWR | 1.8:1 | 2.0:1 | ||
| Spurious | dBc | -60.0 | ||
| Operating Temperature | ℃ | 40.0 | +75.0 | |
| Survival Temperature | ℃ | -45.0 | +125.0 | |
| DC Power Supply Voltage | V | 48.0 | 50.0 | 53.0 |
| DC Curren Quiescent (no RF) aPout=+40dBm | mA | 100 500 | 200 650 | |
| In/Out connectors | SMA-type female | |||
| Size | inches | 5.2x3.0x1.0 | ||
廣州市市立維創展科持是WENTEQ的廠商商,主要作為WENTEQ類護膚品分為環型器、丟開器、電動機扭矩終端用戶等,類護膚品原裝機進口商,性能能保證,單價主要優勢,喜愛網絡咨詢。