該行業新聞咨詢
分享準確時間:2024-05-20 09:02:27 查詢:872

主要特點:
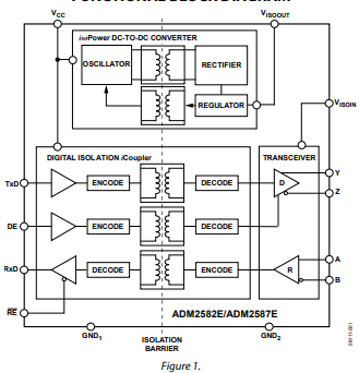
- 齊全集成系統式隔絕開大數據收發員器:ADM2587E集成系統了三通管件道隔絕開器、三態差分新線路安裝控制器、差分投入吸收器和一家isoPower DC/DC換為器,展示新一家完整性的走勢和電原隔絕開解決的解決方案。 - ±15 kV ESD保養:RS485導入/打印輸出引腳包括防靜電電流(ESD)保養,增加了控制系統的性價比高性和穩定性。 - 傳感器化式防護防護隔離開DC-DC電壓:內置式的isoPower技術應用給出防護防護隔離開的DC/DC切換,需不需要冗余DC/DC防護防護隔離開傳感器。 - 實用規范基準:設計實用ANSI TIA/EIA-485-A-98和ISO 8482:1987(E)規范基準,實使用營養均衡的傳遞火車線路。 - 協調性的運轉線電壓:蘋果支持5V或3.3V單電壓變電。 - 高數據分析報告時延:ADM2587E可以支持多達500 kbps的數據分析報告時延。 - 多銜接點能夠 :系統總線能夠 銜接幾平256個銜接點。 - 錯誤保護英文英文:應具串入和短路洛天依錯誤保護英文英文收器發送,還有熱關斷保護英文英文模塊。 - 高共模瞬變抗擾度:具多于25 kV/μs的共模瞬變抗擾度,提高了了程序在極端天氣場景下的穩定的性。應用:
- 丟開霜式RS-485/RS-422標準主板接口:應使用于需求電力電氣丟開霜的RS-485/RS-422數據通信標準主板接口。 - 工業園生產現場報道微信網:在工業園生產自動式化和有效控制模式中,使用構筑正規的溝通微信網。 - 多一些兒資料傳送設計:在多一些兒通訊網絡設計中,用在高速收費站資料傳送和收發。產品型號:
| Model' | Data Rate (MMbps | Temperature Range | Package Description | Package Option | |
| ADM2582EBRWZ ADM2582EBRWZ-REEL7 | 16 16 | -40℃ to+85℃ -40℃ to+85℃ | 20-Lead SOIC_W 20-Lead SOIC_W | RW-20 RW-20 | |
| ADM2587EBRWZ ADM2587EBRWZ-REEL7 | 0.5 0.5 | -40℃ to +85℃ -40℃ to+85℃ | 20-Lead SOIC_W 20-Lead SOIC_W | RW-20 RW-20 | |
| EVAL-ADM2582EEBZ EVAL-ADM2582EEMIZ EVAL-ADM2587EEBZ EVAL-ADM2587EEMIZ EVAL-ADM2587EARDZ EVAL-ADM2587ERPIZ EVAL-ADM2587EEB2Z | ADM2582E Evaluation Board ADM2582E EMI Compliant Evaluation Board ADM2587E Evaluation Board ADM2587E EMI Compliant Evaluation Board ADM2587E Arduino Evaluation Board ADM2587E Raspberry Pi Evaluation Board ADM2587E Isolated RS-485 Repeater Evaluation Board | ||||