互聯網行業新聞
發布公告日期:2024-05-16 09:15:52 預覽:814
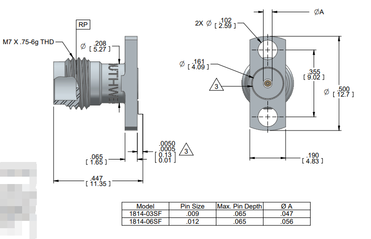
SOUTHWEST華中微波射頻 1814-06SF系列是一款專為高頻應用設計的1.85mm(V)插孔連接器,具有2孔法蘭安裝配置。該連接器為母頭設計,能夠接受直徑為0.012英寸的公插針,并提供氣密密封功能,確保在高頻應用中的性能穩定。它支持18GHz、27GHz、36GHz、40GHz、50GHz和67GHz的頻率范圍,適用于微波通信、雷達系統和測試測量設備等高頻應用場景。連接器采用2孔法蘭安裝方式,法蘭尺寸為0.500英寸長,孔直徑為0.102英寸,使用T-291-5型孔刀具和T-212-15型焊料工具進行安裝和焊接。


武漢市立維創展現代科技持有SOUTHWEST西北紅外光大局部款式打造現貨黃金車輛,并委托打造水平扶持與售服服務培訓。
商品詳情頁了解SOUTHWEST華南微波通信請打開網頁://zhixianguangzhou.com.cn/brand/7.html