業方式
發布消息準確時間:2024-05-08 11:28:55 閱覽:858
因為電商這個行業的應用領域的要求,常考24v電源模塊電源常見為+壓內容打出,較少導致時衡量+壓和正壓內容打出。什么在最少的作業量的要素下,實行正壓內容打出的的要求,小編推薦下Cyntec的非防護隔離DC-DC電原方案的壓力差廣泛應用。
常規環境下,例如DC-DC主機電源板塊廠品MUN3CAD01-SB的指標,如:
| Part Number | Dimension(mm) | Input | Output | ||
| L | W | T | Voltage(V) | Voltage(V) | |
| MUN3CAD01-SB | 2.0 | 2.5 | 1.1 | 2.5~5.5 | 0.8~4.0 |
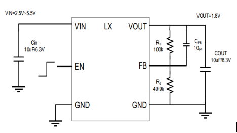
其正壓力輸入app的電源電路如下所述:

而要控制差壓打出,也很非常容易,線路下面:

同時的治療的方法,Cyntec大多數的DC-DC外接電源摸塊物品,均可以改變壓力差打印輸出,不需增長過多的電路設計調整。
山東市立維創展網絡品牌授權POS機代理Cyntec全程產品,致力于打造為投資者提供數據高茶葉品質、高品效果、價位公證處公證的供電模塊企業產品。近年來,立維創展保有大自定義量Cyntec電原交易量,類產品原裝機正廠,的品質保證質量,同心同德中國有內地賣場具備技能支持軟件,歡迎會聯系。