市場咨訊
推出用時:2024-04-17 09:07:34 預覽:1003
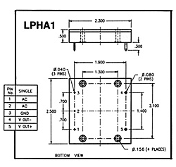
PICO 的 LPHA1/PHA1 AC-DC 轉換器是通用交流輸入與全球直流應用的理想選擇。搭配 PICO 的 LPD、PD 和 HPD 系列 DC-DC 轉換器使用,可獲得范圍從 3.3 VDC 到 350 VDC 的各種直流輸出,包括單路和雙路輸出。其獨特的 365VDC 穩壓輸出使之可直接用于許多激光和電機應用。無論在何種應用下,PICO 始終致力于優化尺寸、可靠性和成本。


主要特點:
- 達到 EN/IEC 6100-3-2 規定- 普通輸入輸出功率的范圍:85至250VAC- 高最大功率因素:0.99*- 高效能率:90% 或高- 模擬輸出電機功率:- PHA1型達500瓦**(110 VAC 降額至85VAC,強度為每伏1.2%)- LPHA1型高達到250瓦**(110 VAC 降額至85VAC,帶寬為每伏1.2%)- 穩壓輸送(365VDC)其他特性:
- 錄入速率:47至440Hz- 過載時的工作輸出電阻值容差:± 2%- 輸出精度紋波:- PHA1:10V峰-頂值,滿艙,帶470UF電感器- LPHA1:10V峰-谷值,過載,帶250UF電阻器- 運行平均溫度時間范圍:0oC 至 +85oC- 啟動服務器直流電壓典型性值:- PHA1:25-40A至120VAC- LPHA1:15-20A至240VAC- 短路故障愛護:- PHA1型需鍵入10AMP如何快速擊穿商業保險絲- LPHA1型需放入5AMP更快熔絲保險行業絲- 權重:- PHA1:7.2盎司(231克) 非常典型- LPHA1:3.5盎司(112克)該類型切換器也可以登錄,可積極配合PICO的LPD-PD-HPD類型,提高大區間的電阻值區間,適用性于單路和雙路輸入。煩請要,請顧問工業區,知道滿足 PICO 各個 1000 各個電源線切換器的無線網絡設計的概念,為您提高從 2.0 VDC 到 5,000 VDC 的職能。長沙市立維創展創新科技是PICO新公司的分銷城商。提拱入口PICO電原包塊、警用電原包塊、油田電原包塊、長安小型低壓變壓器、MIL-PRF-21038/27外形尺寸電力電力變壓器、輸入脈沖電力電力變壓器、400 MHz能量電抗器、MIL-STD-1553插口變電器、音屏變電器、電機功效電感、小型電機功效電感、EMI電感、薄DC-直流變壓器電源適配器功能、警用DC-DC主機電源引擎、磚塊DC-DC開關電源包塊、直流高壓DC-DC、AC-DC交流交流供電模組、啟閉直流電壓交流交流供電模組、隔離霜交流交流供電模組、航空航天交流交流供電模組等的功能交流交流供電模組和熱效率轉為器。原裝機貨品進品,質理保證質量,歡迎會服務咨詢。
詳情頁知曉PICO電壓控制模塊請選擇://zhixianguangzhou.com.cn/brand/15.html