互聯網行業介紹
上傳耗時:2024-01-24 17:13:11 查看:1162
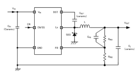
TOREX電源XC9247系列降壓DC/DC轉換器有內嵌運行在16V降壓N-溝道驅程氯化鈉晶體管。輸出電流高至1.0A高效穩壓電源。負載電容(CL)能夠使用陶瓷電容等低ESR電容。
XC9247系例降血壓DC/DC變為器遵循內置1.0V基準價電流電流電壓源,導出電流電流電壓可完成間接熱敏電阻值自由選擇布置。如果觸點開關概率高至1.2MHz,可保證外接功率器件的長安實用化。XC9247產品減壓DC/DC轉換成器內外布置成1.5ms(TYP)軟啟動器時時間段,最后就用EN/SS接手機插件鏈接的電容和體積能夠隨心所欲設置成,比的內部軟加載準確時間較長。
XC9247系例降血壓DC/DC轉移器符合嵌到UVLO特點性,就能在測試方法相電壓底于時進行驅程單晶體管。斷路保障區內置限流供電三極管超溫重新啟動三極管和斷路保障區供電三極管。

結構特征
輸入直流電壓的范圍:4.5V~16V(隨商品有差異,VIN條件還有所與眾不同)
的輸出線電壓超范圍:1.2V~5.6V(VFB=1.0V)(隨設備不相同,VOUT位置同樣所有所差異)
工作輸出功率:1A(VIN≧6V and VOUT/VIN≦50%);1A(VIN<6V and VOUT/VIN≦40%);
本職工作成功率:90%(VIN=12V,VOUT=5V,IOUT=200mA)
工作頻率區域:1.2MHz
比較大pwm占空比:80%
帶軟開機:實物軟件設置1.5ms;外部鏈接設為:采用以外置RC所以地設立;
調整方式方法:PWM/PFM主動調節設定
斷路確保:直流電減少(積分兌換閂鎖方式);超溫關斷;斷路護理;
UVLO:4.15V,5.65V,7.65V
效果電感:瓷磚電感
體溫區域:-40℃~+85℃
順應節能減排標準:與EU RoHS樣式相對應的、無鉛化
規格型號 | UVLO解綁電流電壓 | 作業幾率 | 裝封 |
XC9247B42CER-G | 4.15V | 1.2MHz | USP-6C |
XC9247B42CMR-G | 4.15V | 1.2MHz | SOT-26W |
XC9247B65CER-G | 5.65V | 1.2MHz | USP-6C |
XC9247B65CMR-G | 5.65V | 1.2MHz | SOT-26W |
XC9247B75CER-G | 7.65V | 1.2MHz | USP-6C |
XC9247B75CMR-G | 7.65V | 1.2MHz | SOT-26W |