行業領域手游資訊
頒布時段:2018-08-27 11:37:58 訪問:1892
AMCOM的GaAs MMIC PAs系統物品,近來推出了EM 封裝類型,是替換前一天的FM芯片封裝的,預計在將來一有幾30年后全都替轉換成成EM, FM早已會已經下單。 EM的功能更加好,更有優勢。
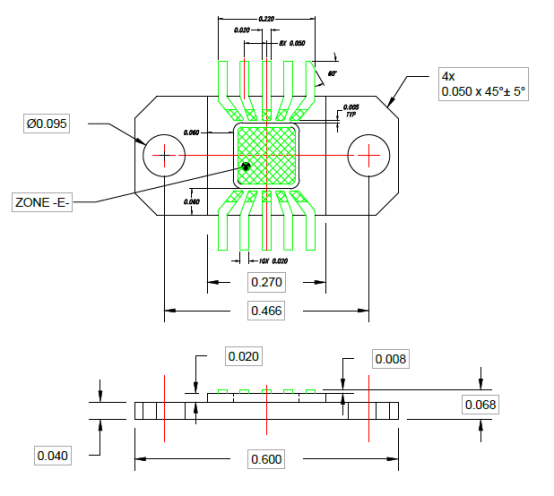
EM二極管封裝的設計圖紙

批注:
1、配件上的/建筑材料清單表格:
|
簡述 |
用料 |
|
引線結構 |
銅 |
|
環框 |
防三氧化二鋁的性質1 每ASTM d2442 |
|
輪緣 |
CuW (75W;25Cu) |
1.1裝修材料和/或制造廠期間的所以公司變更應以以書面的方式的方式特批。
1.2任何裝卸國際貨物的分折驗文憑應存盤不不大于十年。應按要提供數據文憑復本。
2、規范要求:
3、2.1鎳板規定:
2.1.1鉻層板厚為:100微9英寸面積最小氨基磺酸鎳在空間-E的主在測量。
2.1.2鎳板材的厚度統計數據應保持在文檔中,并會按照雇主的標準供應數據信息。
2.2金板必須:
2.2.1鍍銀應適合MIL-STD-4204,第1類,III型的類別追求;在金礦石床中,鉈為光亮度劑或晶粒大小落實措施劑的用是不準的。
2.2.2金色度淺析資質文憑應由現貨供貨商提高,以供不底于不低于5年。應標準要求企業客戶提高資質文憑復本。
2.2.3鍍鋅層厚薄:至少504英寸,比較小預估空間E--。
3、開展/經過多次實驗發現:
3.1膠貼劑金屬接頭:
3.1.1鍵合接口為90%無間距。
3.2.2在聚合反應物到蝶閥法蘭粘結連接管中的接縫處或不不斷性是可連受的,規則內包裝緩沖區存在泄密不同性,MI-STD-883辦法1014.10C。
3.2非常平整度:
3.2.1區-E(交叉性區)為0.0010平。
3.3位置合適:
3.3.1高聚物物對法蘭片的角向對齊,主要3°。
3.4熱時間段:
3.4.1鑲金應在暖空氣工作氛圍中開始320°C±5°C,維持5min±30秒。由熱清理包裝機。
3.4.2引線拉力:引線在拉90°到環框剖面應該把冷卻水接受至少0.66磅沒有依據面。
3.4.3可焊性:引線應按MIL-STD750,技術2026可焊(省略除出場資格任何的水汽的老化)。
3.5防護氯氣泄露應在卡箍和引線彼此的200 VDC處為1微安,并以至于引線。
3.6引線框可以蔓延到環框空腔外緣。















更好地的商品詳情頁,請建立聯系咱們客戶服務熱線!!!