行業領域新聞咨詢
發布新聞周期:2023-12-15 17:05:13 瀏覽訪問:1022
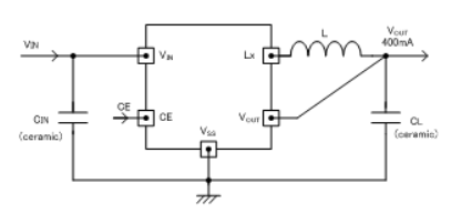
TOREX的XC9245系例更換器是就能選擇瓷片電阻,嵌入式0.65ΩP銑面驅使結晶體管及0.45ΩN端口轉換開關電源轉換開關尖晶石管的穩壓同歩整流DC/DC轉變器。僅適用電感電阻和電容(電容器)最為外接集成電路芯片,能可靠的出具高400mA的瞬時電流。
XC9245系列作品變換器內部人員配置了電源適配器電阻,并能在0.8V~4.0V的範圍以上(±2.0%)以0.05V的間距的選擇電源模塊電壓值。XC9245產品系列轉為器運轉工作頻率萬代高達1.2MHz,能減掉外接應用程序的外形尺寸外形尺寸。選取USPN-6封裝類型組織形式。USPN-6打包封裝行式最時候對位置及空間有規定要求的技木操作。
XC9245系列的變為器會因為在待機時整體布局供電集成運放已停使用,能夠耗率直流電壓控制在1.0μA接下來。在待機時,由CL高速的度蓄電池放電系統基本功能模塊使VOUT-VSS中的架構外接電源打開導通,借助在工作中電阻功率使CL的自由電荷量擊穿。一些能力可以在待機時防范VOUT險遭供電的異常的操作。
XC9245一系列轉變器由內部組織把軟再啟動時光如何設置為0.25ms(TYP.),可以使電直流電壓高速率度地增漲。
為了能夠服務器維護IC不熱傳遞數據損傷,XC9245題材轉移器具備積分系統手機定位行為的限制功率基本功能接口。使用了UVLO(放入欠壓鎖閉Under Voltage Lock Out)用途控制器,在進入端電壓多于2.25V(上限)時,硬性要求性終止里面驅動下載晶狀體管做業。

特質
內部設置有驅使器:0.65ΩP-ch帶動單晶體管.,0.45ΩN-ch發送到整流啟閉結晶體管.
設置直流電壓區間:2.3V~6.0V
內容輸出電壓降范疇:0.8V~4.0V(0.05V間隔時間)
高改換利用率:90%(TYP.)
模擬輸出電流大小:400mA
作業速率:1.2MHz(±15%)
最好占空比:100%
工作:限制電流量(定電壓+積分換閂鎖辦法),CL高速度系統自動充放電,帶軟加載
模擬輸出電阻:陶瓷圖片電容(電容器)
把控途徑:PWM/PFM全自動調成有效控制
任務環境溫度超范圍:-40℃~+85℃
融入節能條件與EU RoHS樣式相當于、無鉛
上一篇: AC-DC電源模塊_AC-DC轉換器——PICO電源模塊
下一篇: ?DELTA網通設備電源