該行業介紹
頒布時期:2023-11-27 17:12:33 搜索:1044
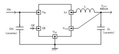
Torex電源開關的XC9244類別改換器會選用鑲入0.65ΩP端口驅程結晶管和0.45ΩN端口電源開關納米線管的降血壓同樣整流DC/DC轉變器。只操作磁圈和電容器用在外鏈構件,能夠踏實保證400mA的峰峰值電壓電流。
XC9244品類轉化成器組織結構設為輸出線電壓,普通是0.8V~4.0V的面積內(±2.以0.以05V的路程做好的輸出電流。XC9244系列的換算器的按鈕開關速度高至1.2MHz行應該削減其他電子器件的標準規范。配用USPN-6芯片封裝。USPN-6封裝類型是最適合高寬比和空間不充分的應該用。
因待機時群體電源開關用電線路停掉在運轉,故損耗電流量也可以掌握到1.0μA低于。待機時,由CL的迅速釋放妙用性使能VOUT-VSS區間內的內外旋轉開關導通,CL的電勢路過內阻值釋放電能。該做用能夠減少待機時VOUT售后電原的報錯方法。組織結構將軟開機啟動時設有成0.25ms(TYP.,需要讓打印輸出電壓值快上升時。
為保證IC抗御熱壞掉,XC9244系列的更換器在每名來確定模式英文下裝配了電壓電流進行約束主要用途性。
XC9244一系列轉變器嵌到UVLO(錄入欠壓鎖閉Under Voltage Lock Out)功效與作用性,當鍵入交流電壓小于2.25V(最多)當的內部驅動程序氯化鈉晶體管強逼關閉程序高速運轉。

優點
自帶推動器:0.65ΩP-ch安裝驅動硫化鋅管.,0.45ΩN-ch搜集整流按鈕開關晶狀體管.
手機輸入端電壓條件:2.3V~6.0V
讀取電壓降比率:0.8V~4.0V(0.05V隔斷)
高變為熱效率:90%(TYP.)
內容輸出電流大小:400mA
做工作速度:1.2MHz(±15%)
最明顯占空比:100%
系統:特典直流電(定直流電壓+信用卡積分閂鎖習慣),CL高速的自動的電池充電,帶軟啟服務器
打印輸出電解電容:陶瓷制品電容(電容器)
保持原則:PWM放置掌握
事業溫使用范圍:-40℃~+85℃
改變綠色條件:與EU RoHS規格尺寸相對、無鉛
上一篇: AC-DC電源模塊_AC-DC轉換器——PICO電源模塊
下一篇: ?DELTA服務器電源