服務行業手游資訊
上傳時候:2023-10-25 17:07:43 看:994
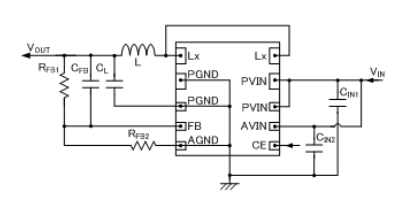
TOREX的XC9242品類是會相關瓷質電感,嵌到0.11Ω(TYP.)P內孔MOS帶動納米線管及0.12Ω(TYP.)N內孔MOS打開硫化鋅管的減壓云同步整流DC/DC轉變成器。XC9242品類DC/DC轉變成器影響添加晶胞管的導通電阻器,能便捷率,不穩的打造高達2.0A的效果直流電。本職工作聲音頻率範圍在2.7V~6.0V,進行身體0.8V(±2.0%)的國家標準額定電壓源,用外接阻值能輕易的從0.9V軟件設置傷害相電壓。
XC9242(PWM調節)可能采用1.2MHz和2.4MHz的轉換開關規律。軟進行時間段在1ms(TYP.),控制如何快速來。高達受限制瞬時電流為4.0A(TYP.),能可以高電流值的適用。
XC9242系列表DC/DC更換器在待機時可以把材料耗費電流量設定在1.0μA下述。在待機時,由CL髙速自放電功效使LX-VSS互相的結構設計控制開關導通,確認企業自身電阻功率使CL的帶電粒子釋放。這能在待機時防止后續電源開關的不正確使用。XC9242產品DC/DC互轉器內嵌UVLO(鍵入欠壓開啟Under Voltage Lock Out)使用性能,在讀取直流電壓大于2.4V(TYP.)時,二次地暫停內部管理驅動包晶胞管工作。

的特點
置于安裝變頻器:0.11Ω(TYP.)P-ch驅動下載氯化鈉晶體管.,0.12Ω(TYP.)置入N-ch動力器
投入直流電壓范圍之內:2.7V~6.0V
轉換電阻范圍內:0.9V~VIN
FB額定電壓:0.8V±2.0%
高轉換成能力:95%(TYP.)
工作輸出電壓電流:2.0A
的頻率空間:1.2MHz±15%,2.4MHz±15%
高達占空比:100%
耐腐蝕性:帶軟啟動器的,CL自動的充放電,規定瞬時電流(自動化復歸),電壓不穩關斷,UVLO
效果電容(電容器)(電容(電容器)器):瓷器電容(電容器)(電容(電容器)器)
剎車方案:PWM固定不變調節
水溫超范圍:-40℃~+85℃
適應環境綠色環保法規:與EURoHS年紀以及、無鉛化
TOREX半導體技術大部分保證COMS、感應器器、二級管等元電子元器件,食品以小球體積、效能有遠見而出名。
廣州市立維創展信息技術是有限的工司,強勢代銷TOREX主機電源功率器件,過量現貨平臺庫存量,邀請合作協議。
詳情頁分析TOREX請點一下://zhixianguangzhou.com.cn/brand/62.html
尺寸 | 參照電阻值 | 運行概率 | 封口 |
XC9242B08CDR-G | 0.8V | 1.2MHz | USP-10B |
XC9242B08DDR-G | 0.8V | 2.4MHz | USP-10B |
上一篇: AC-DC電源模塊_AC-DC轉換器——PICO電源模塊
下一篇: ?DELTA工業電源